液压传动传递动力大,运动平稳,但由于液体粘性大,在流动过程中阻力损失大,因而不宜作远距离传动和控制;而气压传动由于空气的可压缩性大,且工作压力低(通常在1.0MPa以下),所以传递动力不大,运动也不如液压传动平稳,但空气粘性小,传递过程中阻力小、速度快、反应灵敏,因而气压传动能用于远距离的传动和控制。
液压与气动传动的工作原理

图1-1
液压传动的工作原理:
如图1-1是液压千斤顶的工作原理图。提起手柄→小活塞上移→小活塞下端油腔容积增大(形成局部真空)→单向阀4打开→经吸油管5从油箱12中吸油;
压下手柄→小活塞下移→小活塞下腔压力升高→单向阀4关闭,单向阀7打开→下腔的油液经管道6、单向阀7输入油缸9的下腔→迫使大活塞8上移→顶起重物。再提手柄吸油时→单向阀7自动关闭→油液不能倒流→保证了重物不会自行下落。不断地往复扳动手柄,就能不断地把油液压入举升缸下腔,使重物逐渐地升起。如打开截止阀11→举升缸下腔的油液经管道10、截止阀11流回油箱→重物就向下移动。这就是液压千斤顶的工作原理。

由上述分析可知,液压传动是依靠密封容积的变化来传递运动,依靠油液内部的压力来传递动力的,液压传动装置实质上就是一种能量转换装置,它先将机械能转换为便于输送的液压能,然后又将液压能转换为机械能,以驱动工作机构完成各种要求动作。
气压传动工作原理
气压传动工作原理和液压传动基本相同,也是能量转换的过程,不同之处在于工作介质是空气,而不是液压油,下面以气动剪切机为例说明。

(a)工作原理图

(b)符号简图
图1-2 气动剪切机
1空气压缩机;2后冷却器;3分水排水器;4储气罐;5空气过滤器;6减压阀;7油雾器;8行程阀;9换向阀;10气缸;11工料。

上图为气动剪切机的工作原理,空气压缩机1(产生的压缩空气)→经后冷却器2→经分水排水器3→经储气罐4→经分水滤水器5→经减压阀6→经油雾器7→再经换向阀9(部分气体经节流通路进入换向阀9的下腔→上腔弹簧压缩,换向阀9阀芯位于上端;大部分压缩空气经换向阀9后进入气缸10的上腔,而气缸的下腔经换向阀与大气相通,故气缸活塞处于最下端位置。)
(上料装置把工料11送入剪切机并达到规定位置)工料压下行程阀8→换向阀9阀芯下腔压缩空气经行程阀8排入大气,在弹簧的推动下,换向阀9阀芯向下运动至下端→压缩空气经换向阀9后进入气缸的下腔,上腔经换向阀9与大气相通→气缸活塞向上运动,带动剪刀上行剪断工料。工料剪下后→行程阀8脱开→行程阀8阀芯在弹簧下复位、出路堵死→换向阀9阀芯上移→气缸活塞向下运动(恢复到剪断前的状态,完成一个剪切循环,并进入下一次剪料的开始阶段。)

上述分析可知,气压传动的工作原理就是能量转换,气动剪切机: 原动机提供的机械能→经空气压缩机为空气的压力能→再经管道及控制元件进入气缸→再将空气压力能→为机械能做功而切断工料。

64个液压与气动动图大全
1.背压回路

2.直动溢流阀

3.比例远调压力回路

4.齿轮泵

5.变量泵回路

6.叶片式液压马达

7.冲液阀回路

8.普通单向阀

9.串联同步回路

10.液控单向阀

11.电磁泄荷回路

12.先导溢流阀

13.低压溢流阀

14.分流阀同步回路

15.二位二通换向阀

16.换向回路1

17.换向回路2

18.二位四通换向阀

19.节流阀出口节流回路

20.三位四通换向阀

21.节流阀旁路旁路节流调速回路

22.三位五通换向阀

23.单级调压回路

24.机动换向阀

25.手动换向阀

26.无级减压回路

27.平衡回路

28.液动换向阀

29.减压阀

30.减压回路

31.水冷却器

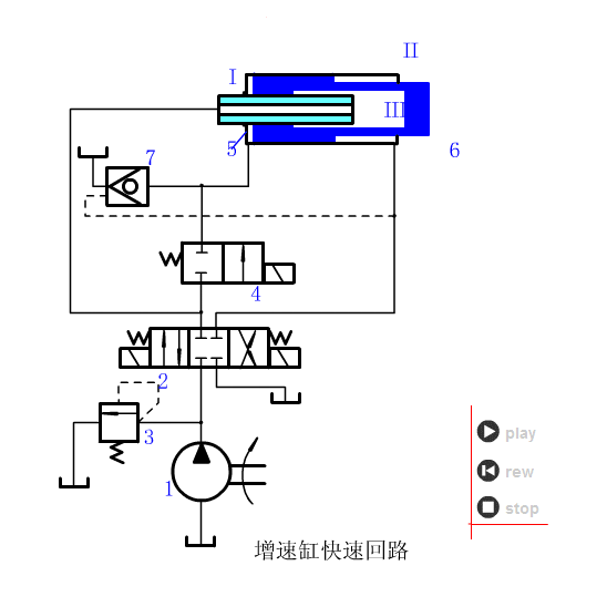
32.增速缸快速回路

33.液压缸差动连接快速回路

34.调速阀并联的速度换接回路

35.调速阀串联的速度换接回路

36.电磁溢流回路

37.进油调速回路

38.节流阀进油调速回路

39.节流阀进油调速回路

40.蓄能器油缸回路

41.气缸快速往复运动回路

42.三压回路

43.双泵回路

44.双压调压回路

45.行程阀控制顺序动作回路
46.行程开关和电磁阀控制顺序动作回路
47.双作用增压缸的增压回路

48.液压泵保压回路

49.锁紧回路

50.蓄能器保压回路

51.中位泄荷回路

52.单作用增压缸增压回路

53.远程调压回路

54.典型机床回路

55.典型机床回路2

56.快进工进回路

57.用行程阀的速度换接回路

58.调速阀串联的二次进给速度换接回路

59.调速阀并联的二次进给速度换接回路

60.调速阀并联的二次进给速度换接回路2

61.行程阀控制的快慢速换接回路

62.行程控制制动式换向回路

63.行程开关和电磁换向阀控制的顺序运动回路

64.行程开关控制的快慢速换接回路
1、(判断题)当蜗杆、蜗条副磨损后,侧隙过大需要修理时,通常采用更换蜗杆、蜗条的方法来修复。
参考答案:错误
2、(判断题)()力对物体的作用效果取决于以下三个要素:力的大小;力的方向;力的作用点。
参考答案:正确
3、(判断题)大型设备双立柱安装时,要求两立柱导轨面同一平面度误差小于0.02mm。
参考答案:错误
4、(判断题)()影响某一装配精度的各有关尺寸所组成的尺寸组称为装配尺寸链。
参考答案:正确
5、(判断题)()齿轮轴的齿轮断裂时,可以保留轴,镶上齿圈。
参考答案:正确
6、(判断题)()钻削精密孔时,应采用手动进给。
参考答案:错误
7、(判断题)磨床砂轮架砂轮主轴轴承的磨损,砂轮主轴与砂轮法兰、轴颈的磨损,均会使磨削工件表面产生有规律螺旋波纹。
参考答案:错误
8、(判断题)在消除或减少振动的措施中,减小阻尼可防止共振^
参考答案:错误
9、(判断题)()信誉是企业在市场经济中赖以生存的重要依据。
参考答案:正确
10、(判断题)()电镀是在金属表面形成金属镀层,以补偿零件表面磨损。
参考答案:错误
11、(判断题)()研磨棒是在机修作业过程中,根据被研磨孔的加工尺寸临时配制的。
参考答案:错误
12、(判断题)()一般情况下不进行设备的过载试验,只有在加工工艺或设备状况必需的情况下才进行,并且一定要慎重。
参考答案:正确
13、(判断题)()恒温环境温度范围在20oC。
参考答案:错误
14、(判断题)用于钻削平底孔的平底钻头,其两刃口一般磨成外凸圆弧形。
参考答案:错误
15、(判断题)修复后的高速、高精度主轴颈表面粗糙度值要求达到0.05um。
参考答案:正确
16、(判断题)()在所有转速的运转试验中,机床各工作机构应平稳、正常,无明显冲击振动和周期性的噪声。
参考答案:错误
17、(判断题)在轴组的装配中,常在轴两端的支承点上用轴承盖单向固定,分别限制轴组两个方向的轴向移动。为避免轴受热伸长而使轴承卡住,在右端轴承外圈与端盖间应留有0.5~1mm间隙,以便游动。
参考答案:正确
18、(判断题)()液压泵零件磨损,不能形成额定的流量和压力。
参考答案:正确
19、(判断题)()在任何情况下都不允许让熔渣溅落在潜水用具上,或损坏这些装备工具。
参考答案:正确
20、(判断题)()节流阀用于对流量稳定性要求较高的场合。
参考答案:错误
21、(判断题)()桥式起重机两条轨道都安装好后,应检查两轨间的距离,轨距允差不超过±5mm。
参考答案:正确
22、(判断题)钻斜孔时,孔口往往被刮烂,破坏了孔端面的平整。
参考答案:正确
23、(判断题)当磨头主轴和轴瓦因过度磨损(修磨量大于0.1mm)导致对主轴刚度、硬度,油膜的承载能力等有严重影响时,应更换主轴和轴瓦。
参考答案:正确
24、(判断题)()铸铁冲天炉的一次风箱和二次风箱均应和现场C362风量风压自动控制仪连接。
参考答案:正确
25、(判断题)自准直仪,可以用来测量反射镜对光轴垂直方向的微小移动。
参考答案:错误
26、(判断题)()技术服务合同是指当事人以技术知识为另一方解决特定技术难题所订立的合同。
参考答案:正确
27、(判断题)()保持设备完好是机械设备二级保养的工作内容之一。
参考答案:正确
28、(判断题)()标准群钻的特征要点是三尖七刃锐当先,月牙弧槽分两边,一侧外刃宽分屑,横刃磨低窄又尖。
参考答案:正确
29、(判断题)选择畸形工件的划线基准时,通常要首先避开选择工件的设计中心和主要工作平面。
参考答案:错误
30、(判断题)()合同双方在合同中的法律地位是平等的,任何一方不得把自己的意志强加给对方。
参考答案:正确