教学资料
教案
讲义
课件
当前位置:
首页
>
课件
>2026版高处作业安全培训课件(依据新标GB3608-2025编制)
2026版高处作业安全培训课件(依据新标GB3608-2025编制)
2026-03-28 03:15:44
2026版高处作业安全培训课件(依据新标GB3608-2025编制)
最新整理2026年节后复工及新版三级安全教育资料
点击文末阅读原文下载
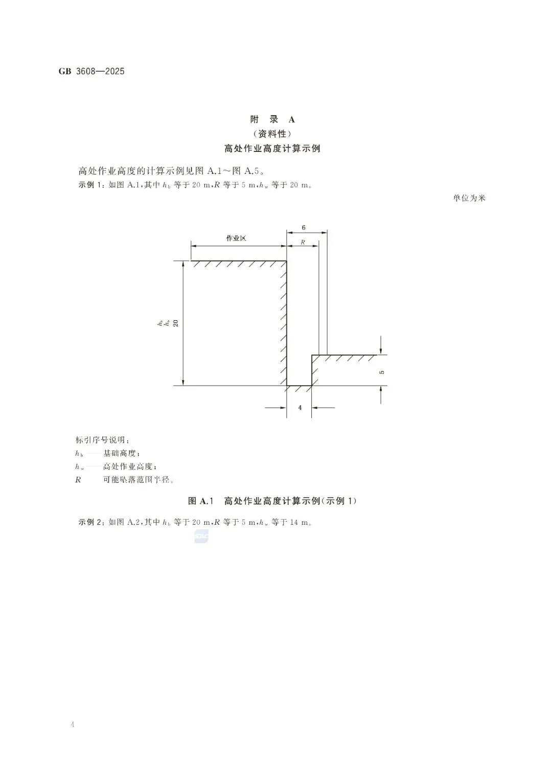
《GB 3608-2025高处作业分级》
标准2026年5月1日生效
文件编号:20770
上
下滑动查看余下全文
高处作业安全培训(基于 GB 3608-2025 新标准解读与应用)
文件编号:20923
资料源于网络,侵删,
点击
阅读原文
下载更多精选安全资料
本文来自网友投稿或网络内容,如有侵犯您的权益请联系我们删除,联系邮箱:wyl860211@qq.com 。
【课件】2026化工企业节后复工复产典型出彩精品PPT 收藏学习!
26春外研版英语3-6年级上下册教案课件·可下载
最新文章
【课件】2026化工企业节后复工复产典型出彩精品PPT 收藏学习!
新教材一年级下册语文课件上线啦!以“情境化教学”为核心,拿来即用,帮助老师高效备课! | 自营系列
安全课件 | 门式起重机安全培训(48页)
安全课件 | 混凝土作业安全要点(78页)
复习课件 | 一蓑烟雨工作室:三国两晋南北朝时期
党课课件:师德师风教育培训课件
2026春1-9年级英语下册各版本课件教案(含新教材版本)免费领
教学资源分享|课件+教案(六下语文1—8单元)
【精品课件】五年级下《月是故乡明》课件+教案+知识清单+分层作业
【精品PPT课件】:2026年3月5日学雷锋纪念日中小学生学习雷锋精神主题班会ppt下载送有声视频一套
热门文章
课件‖2026新版八下历史第9课 改革开放的起步
说课课件:人教版选择性必修第一册 Unit 1 Reading and Thinking 说课 (江西 何灵燕)
幼儿园妇女节教学课件《谢谢妈妈的爱》、免费领!
【精品PPT课件】:2026年3月5日幼儿园学雷锋纪念日主题班会ppt通用模板下载
《统编版》道德与法治八年级下册-教学课件+核心素养教案+学案【新教材】全册26春.下载即用
少儿美术《可爱的刺豚》课件
急性有机磷农药中毒的急救与护理(文末附课件获取方式)
星状神经节阻滞(文末附课件获取方式)
妊娠期高血压护理(文末附课件获取方式)
肺栓塞的护理查房(文末附课件获取方式)
随机文章
10个月宝宝每天需要喝多少奶粉?
【课件丨PPT】管生产必须管安全专题培训
文字的出现与课堂演讲同步:课件制作及美化技巧
AI交互课件来了关键还免费(一二三年级教学计划,试题教案课件)
开学第一课(附课件)
新学期新篇章:开学第一课收心主题班会课件(12张PPT)
以梦为马,逐光前行:高中语文开学第一课课件(28张PPT)
教案课件下载
教案25:看不懂高压环网柜一次系统图?一篇文章帮你搞定!
高中统编版《历史》选择性必修二 课件+核心素养教案+学案等,可下载!
高中统编版《历史》选择性必修三 课件+核心素养教案+学案等,可下载!
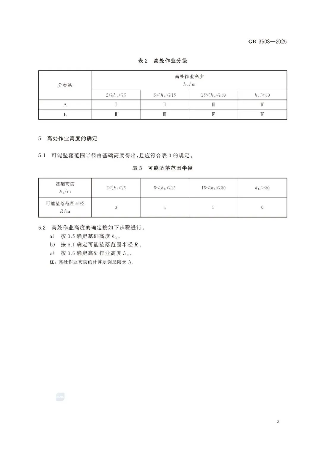
基本
文件
流程
错误
SQL
调试
请求信息 : 2026-04-06 04:20:00 HTTP/2.0 GET : https://a.sjds.net/a/477520.html
运行时间 : 0.135221s [ 吞吐率:7.40req/s ] 内存消耗:4,518.17kb 文件加载:140
缓存信息 : 0 reads,0 writes
会话信息 : SESSION_ID=42159f79cb5bbcf7834895f566abf705
/yingpanguazai/ssd/ssd1/www/a.sjds.net/public/index.php ( 0.79 KB )
/yingpanguazai/ssd/ssd1/www/a.sjds.net/vendor/autoload.php ( 0.17 KB )
/yingpanguazai/ssd/ssd1/www/a.sjds.net/vendor/composer/autoload_real.php ( 2.49 KB )
/yingpanguazai/ssd/ssd1/www/a.sjds.net/vendor/composer/platform_check.php ( 0.90 KB )
/yingpanguazai/ssd/ssd1/www/a.sjds.net/vendor/composer/ClassLoader.php ( 14.03 KB )
/yingpanguazai/ssd/ssd1/www/a.sjds.net/vendor/composer/autoload_static.php ( 4.90 KB )
/yingpanguazai/ssd/ssd1/www/a.sjds.net/vendor/topthink/think-helper/src/helper.php ( 8.34 KB )
/yingpanguazai/ssd/ssd1/www/a.sjds.net/vendor/topthink/think-validate/src/helper.php ( 2.19 KB )
/yingpanguazai/ssd/ssd1/www/a.sjds.net/vendor/topthink/think-orm/src/helper.php ( 1.47 KB )
/yingpanguazai/ssd/ssd1/www/a.sjds.net/vendor/topthink/think-orm/stubs/load_stubs.php ( 0.16 KB )
/yingpanguazai/ssd/ssd1/www/a.sjds.net/vendor/topthink/framework/src/think/Exception.php ( 1.69 KB )
/yingpanguazai/ssd/ssd1/www/a.sjds.net/vendor/topthink/think-container/src/Facade.php ( 2.71 KB )
/yingpanguazai/ssd/ssd1/www/a.sjds.net/vendor/symfony/deprecation-contracts/function.php ( 0.99 KB )
/yingpanguazai/ssd/ssd1/www/a.sjds.net/vendor/symfony/polyfill-mbstring/bootstrap.php ( 8.26 KB )
/yingpanguazai/ssd/ssd1/www/a.sjds.net/vendor/symfony/polyfill-mbstring/bootstrap80.php ( 9.78 KB )
/yingpanguazai/ssd/ssd1/www/a.sjds.net/vendor/symfony/var-dumper/Resources/functions/dump.php ( 1.49 KB )
/yingpanguazai/ssd/ssd1/www/a.sjds.net/vendor/topthink/think-dumper/src/helper.php ( 0.18 KB )
/yingpanguazai/ssd/ssd1/www/a.sjds.net/vendor/symfony/var-dumper/VarDumper.php ( 4.30 KB )
/yingpanguazai/ssd/ssd1/www/a.sjds.net/vendor/topthink/framework/src/think/App.php ( 15.30 KB )
/yingpanguazai/ssd/ssd1/www/a.sjds.net/vendor/topthink/think-container/src/Container.php ( 15.76 KB )
/yingpanguazai/ssd/ssd1/www/a.sjds.net/vendor/psr/container/src/ContainerInterface.php ( 1.02 KB )
/yingpanguazai/ssd/ssd1/www/a.sjds.net/app/provider.php ( 0.19 KB )
/yingpanguazai/ssd/ssd1/www/a.sjds.net/vendor/topthink/framework/src/think/Http.php ( 6.04 KB )
/yingpanguazai/ssd/ssd1/www/a.sjds.net/vendor/topthink/think-helper/src/helper/Str.php ( 7.29 KB )
/yingpanguazai/ssd/ssd1/www/a.sjds.net/vendor/topthink/framework/src/think/Env.php ( 4.68 KB )
/yingpanguazai/ssd/ssd1/www/a.sjds.net/app/common.php ( 0.03 KB )
/yingpanguazai/ssd/ssd1/www/a.sjds.net/vendor/topthink/framework/src/helper.php ( 18.78 KB )
/yingpanguazai/ssd/ssd1/www/a.sjds.net/vendor/topthink/framework/src/think/Config.php ( 5.54 KB )
/yingpanguazai/ssd/ssd1/www/a.sjds.net/config/app.php ( 0.95 KB )
/yingpanguazai/ssd/ssd1/www/a.sjds.net/config/cache.php ( 0.78 KB )
/yingpanguazai/ssd/ssd1/www/a.sjds.net/config/console.php ( 0.23 KB )
/yingpanguazai/ssd/ssd1/www/a.sjds.net/config/cookie.php ( 0.56 KB )
/yingpanguazai/ssd/ssd1/www/a.sjds.net/config/database.php ( 2.48 KB )
/yingpanguazai/ssd/ssd1/www/a.sjds.net/vendor/topthink/framework/src/think/facade/Env.php ( 1.67 KB )
/yingpanguazai/ssd/ssd1/www/a.sjds.net/config/filesystem.php ( 0.61 KB )
/yingpanguazai/ssd/ssd1/www/a.sjds.net/config/lang.php ( 0.91 KB )
/yingpanguazai/ssd/ssd1/www/a.sjds.net/config/log.php ( 1.35 KB )
/yingpanguazai/ssd/ssd1/www/a.sjds.net/config/middleware.php ( 0.19 KB )
/yingpanguazai/ssd/ssd1/www/a.sjds.net/config/route.php ( 1.89 KB )
/yingpanguazai/ssd/ssd1/www/a.sjds.net/config/session.php ( 0.57 KB )
/yingpanguazai/ssd/ssd1/www/a.sjds.net/config/trace.php ( 0.34 KB )
/yingpanguazai/ssd/ssd1/www/a.sjds.net/config/view.php ( 0.82 KB )
/yingpanguazai/ssd/ssd1/www/a.sjds.net/app/event.php ( 0.25 KB )
/yingpanguazai/ssd/ssd1/www/a.sjds.net/vendor/topthink/framework/src/think/Event.php ( 7.67 KB )
/yingpanguazai/ssd/ssd1/www/a.sjds.net/app/service.php ( 0.13 KB )
/yingpanguazai/ssd/ssd1/www/a.sjds.net/app/AppService.php ( 0.26 KB )
/yingpanguazai/ssd/ssd1/www/a.sjds.net/vendor/topthink/framework/src/think/Service.php ( 1.64 KB )
/yingpanguazai/ssd/ssd1/www/a.sjds.net/vendor/topthink/framework/src/think/Lang.php ( 7.35 KB )
/yingpanguazai/ssd/ssd1/www/a.sjds.net/vendor/topthink/framework/src/lang/zh-cn.php ( 13.70 KB )
/yingpanguazai/ssd/ssd1/www/a.sjds.net/vendor/topthink/framework/src/think/initializer/Error.php ( 3.31 KB )
/yingpanguazai/ssd/ssd1/www/a.sjds.net/vendor/topthink/framework/src/think/initializer/RegisterService.php ( 1.33 KB )
/yingpanguazai/ssd/ssd1/www/a.sjds.net/vendor/services.php ( 0.14 KB )
/yingpanguazai/ssd/ssd1/www/a.sjds.net/vendor/topthink/framework/src/think/service/PaginatorService.php ( 1.52 KB )
/yingpanguazai/ssd/ssd1/www/a.sjds.net/vendor/topthink/framework/src/think/service/ValidateService.php ( 0.99 KB )
/yingpanguazai/ssd/ssd1/www/a.sjds.net/vendor/topthink/framework/src/think/service/ModelService.php ( 2.04 KB )
/yingpanguazai/ssd/ssd1/www/a.sjds.net/vendor/topthink/think-trace/src/Service.php ( 0.77 KB )
/yingpanguazai/ssd/ssd1/www/a.sjds.net/vendor/topthink/framework/src/think/Middleware.php ( 6.72 KB )
/yingpanguazai/ssd/ssd1/www/a.sjds.net/vendor/topthink/framework/src/think/initializer/BootService.php ( 0.77 KB )
/yingpanguazai/ssd/ssd1/www/a.sjds.net/vendor/topthink/think-orm/src/Paginator.php ( 11.86 KB )
/yingpanguazai/ssd/ssd1/www/a.sjds.net/vendor/topthink/think-validate/src/Validate.php ( 63.20 KB )
/yingpanguazai/ssd/ssd1/www/a.sjds.net/vendor/topthink/think-orm/src/Model.php ( 23.55 KB )
/yingpanguazai/ssd/ssd1/www/a.sjds.net/vendor/topthink/think-orm/src/model/concern/Attribute.php ( 21.05 KB )
/yingpanguazai/ssd/ssd1/www/a.sjds.net/vendor/topthink/think-orm/src/model/concern/AutoWriteData.php ( 4.21 KB )
/yingpanguazai/ssd/ssd1/www/a.sjds.net/vendor/topthink/think-orm/src/model/concern/Conversion.php ( 6.44 KB )
/yingpanguazai/ssd/ssd1/www/a.sjds.net/vendor/topthink/think-orm/src/model/concern/DbConnect.php ( 5.16 KB )
/yingpanguazai/ssd/ssd1/www/a.sjds.net/vendor/topthink/think-orm/src/model/concern/ModelEvent.php ( 2.33 KB )
/yingpanguazai/ssd/ssd1/www/a.sjds.net/vendor/topthink/think-orm/src/model/concern/RelationShip.php ( 28.29 KB )
/yingpanguazai/ssd/ssd1/www/a.sjds.net/vendor/topthink/think-helper/src/contract/Arrayable.php ( 0.09 KB )
/yingpanguazai/ssd/ssd1/www/a.sjds.net/vendor/topthink/think-helper/src/contract/Jsonable.php ( 0.13 KB )
/yingpanguazai/ssd/ssd1/www/a.sjds.net/vendor/topthink/think-orm/src/model/contract/Modelable.php ( 0.09 KB )
/yingpanguazai/ssd/ssd1/www/a.sjds.net/vendor/topthink/framework/src/think/Db.php ( 2.88 KB )
/yingpanguazai/ssd/ssd1/www/a.sjds.net/vendor/topthink/think-orm/src/DbManager.php ( 8.52 KB )
/yingpanguazai/ssd/ssd1/www/a.sjds.net/vendor/topthink/framework/src/think/Log.php ( 6.28 KB )
/yingpanguazai/ssd/ssd1/www/a.sjds.net/vendor/topthink/framework/src/think/Manager.php ( 3.92 KB )
/yingpanguazai/ssd/ssd1/www/a.sjds.net/vendor/psr/log/src/LoggerTrait.php ( 2.69 KB )
/yingpanguazai/ssd/ssd1/www/a.sjds.net/vendor/psr/log/src/LoggerInterface.php ( 2.71 KB )
/yingpanguazai/ssd/ssd1/www/a.sjds.net/vendor/topthink/framework/src/think/Cache.php ( 4.92 KB )
/yingpanguazai/ssd/ssd1/www/a.sjds.net/vendor/psr/simple-cache/src/CacheInterface.php ( 4.71 KB )
/yingpanguazai/ssd/ssd1/www/a.sjds.net/vendor/topthink/think-helper/src/helper/Arr.php ( 16.63 KB )
/yingpanguazai/ssd/ssd1/www/a.sjds.net/vendor/topthink/framework/src/think/cache/driver/File.php ( 7.84 KB )
/yingpanguazai/ssd/ssd1/www/a.sjds.net/vendor/topthink/framework/src/think/cache/Driver.php ( 9.03 KB )
/yingpanguazai/ssd/ssd1/www/a.sjds.net/vendor/topthink/framework/src/think/contract/CacheHandlerInterface.php ( 1.99 KB )
/yingpanguazai/ssd/ssd1/www/a.sjds.net/app/Request.php ( 0.09 KB )
/yingpanguazai/ssd/ssd1/www/a.sjds.net/vendor/topthink/framework/src/think/Request.php ( 55.78 KB )
/yingpanguazai/ssd/ssd1/www/a.sjds.net/app/middleware.php ( 0.25 KB )
/yingpanguazai/ssd/ssd1/www/a.sjds.net/vendor/topthink/framework/src/think/Pipeline.php ( 2.61 KB )
/yingpanguazai/ssd/ssd1/www/a.sjds.net/vendor/topthink/think-trace/src/TraceDebug.php ( 3.40 KB )
/yingpanguazai/ssd/ssd1/www/a.sjds.net/vendor/topthink/framework/src/think/middleware/SessionInit.php ( 1.94 KB )
/yingpanguazai/ssd/ssd1/www/a.sjds.net/vendor/topthink/framework/src/think/Session.php ( 1.80 KB )
/yingpanguazai/ssd/ssd1/www/a.sjds.net/vendor/topthink/framework/src/think/session/driver/File.php ( 6.27 KB )
/yingpanguazai/ssd/ssd1/www/a.sjds.net/vendor/topthink/framework/src/think/contract/SessionHandlerInterface.php ( 0.87 KB )
/yingpanguazai/ssd/ssd1/www/a.sjds.net/vendor/topthink/framework/src/think/session/Store.php ( 7.12 KB )
/yingpanguazai/ssd/ssd1/www/a.sjds.net/vendor/topthink/framework/src/think/Route.php ( 23.73 KB )
/yingpanguazai/ssd/ssd1/www/a.sjds.net/vendor/topthink/framework/src/think/route/RuleName.php ( 5.75 KB )
/yingpanguazai/ssd/ssd1/www/a.sjds.net/vendor/topthink/framework/src/think/route/Domain.php ( 2.53 KB )
/yingpanguazai/ssd/ssd1/www/a.sjds.net/vendor/topthink/framework/src/think/route/RuleGroup.php ( 22.43 KB )
/yingpanguazai/ssd/ssd1/www/a.sjds.net/vendor/topthink/framework/src/think/route/Rule.php ( 26.95 KB )
/yingpanguazai/ssd/ssd1/www/a.sjds.net/vendor/topthink/framework/src/think/route/RuleItem.php ( 9.78 KB )
/yingpanguazai/ssd/ssd1/www/a.sjds.net/route/app.php ( 1.72 KB )
/yingpanguazai/ssd/ssd1/www/a.sjds.net/vendor/topthink/framework/src/think/facade/Route.php ( 4.70 KB )
/yingpanguazai/ssd/ssd1/www/a.sjds.net/vendor/topthink/framework/src/think/route/dispatch/Controller.php ( 4.74 KB )
/yingpanguazai/ssd/ssd1/www/a.sjds.net/vendor/topthink/framework/src/think/route/Dispatch.php ( 10.44 KB )
/yingpanguazai/ssd/ssd1/www/a.sjds.net/app/controller/Index.php ( 4.81 KB )
/yingpanguazai/ssd/ssd1/www/a.sjds.net/app/BaseController.php ( 2.05 KB )
/yingpanguazai/ssd/ssd1/www/a.sjds.net/vendor/topthink/think-orm/src/facade/Db.php ( 0.93 KB )
/yingpanguazai/ssd/ssd1/www/a.sjds.net/vendor/topthink/think-orm/src/db/connector/Mysql.php ( 5.44 KB )
/yingpanguazai/ssd/ssd1/www/a.sjds.net/vendor/topthink/think-orm/src/db/PDOConnection.php ( 52.47 KB )
/yingpanguazai/ssd/ssd1/www/a.sjds.net/vendor/topthink/think-orm/src/db/Connection.php ( 8.39 KB )
/yingpanguazai/ssd/ssd1/www/a.sjds.net/vendor/topthink/think-orm/src/db/ConnectionInterface.php ( 4.57 KB )
/yingpanguazai/ssd/ssd1/www/a.sjds.net/vendor/topthink/think-orm/src/db/builder/Mysql.php ( 16.58 KB )
/yingpanguazai/ssd/ssd1/www/a.sjds.net/vendor/topthink/think-orm/src/db/Builder.php ( 24.06 KB )
/yingpanguazai/ssd/ssd1/www/a.sjds.net/vendor/topthink/think-orm/src/db/BaseBuilder.php ( 27.50 KB )
/yingpanguazai/ssd/ssd1/www/a.sjds.net/vendor/topthink/think-orm/src/db/Query.php ( 15.71 KB )
/yingpanguazai/ssd/ssd1/www/a.sjds.net/vendor/topthink/think-orm/src/db/BaseQuery.php ( 45.13 KB )
/yingpanguazai/ssd/ssd1/www/a.sjds.net/vendor/topthink/think-orm/src/db/concern/TimeFieldQuery.php ( 7.43 KB )
/yingpanguazai/ssd/ssd1/www/a.sjds.net/vendor/topthink/think-orm/src/db/concern/AggregateQuery.php ( 3.26 KB )
/yingpanguazai/ssd/ssd1/www/a.sjds.net/vendor/topthink/think-orm/src/db/concern/ModelRelationQuery.php ( 20.07 KB )
/yingpanguazai/ssd/ssd1/www/a.sjds.net/vendor/topthink/think-orm/src/db/concern/ParamsBind.php ( 3.66 KB )
/yingpanguazai/ssd/ssd1/www/a.sjds.net/vendor/topthink/think-orm/src/db/concern/ResultOperation.php ( 7.01 KB )
/yingpanguazai/ssd/ssd1/www/a.sjds.net/vendor/topthink/think-orm/src/db/concern/WhereQuery.php ( 19.37 KB )
/yingpanguazai/ssd/ssd1/www/a.sjds.net/vendor/topthink/think-orm/src/db/concern/JoinAndViewQuery.php ( 7.11 KB )
/yingpanguazai/ssd/ssd1/www/a.sjds.net/vendor/topthink/think-orm/src/db/concern/TableFieldInfo.php ( 2.63 KB )
/yingpanguazai/ssd/ssd1/www/a.sjds.net/vendor/topthink/think-orm/src/db/concern/Transaction.php ( 2.77 KB )
/yingpanguazai/ssd/ssd1/www/a.sjds.net/vendor/topthink/framework/src/think/log/driver/File.php ( 5.96 KB )
/yingpanguazai/ssd/ssd1/www/a.sjds.net/vendor/topthink/framework/src/think/contract/LogHandlerInterface.php ( 0.86 KB )
/yingpanguazai/ssd/ssd1/www/a.sjds.net/vendor/topthink/framework/src/think/log/Channel.php ( 3.89 KB )
/yingpanguazai/ssd/ssd1/www/a.sjds.net/vendor/topthink/framework/src/think/event/LogRecord.php ( 1.02 KB )
/yingpanguazai/ssd/ssd1/www/a.sjds.net/vendor/topthink/think-helper/src/Collection.php ( 16.47 KB )
/yingpanguazai/ssd/ssd1/www/a.sjds.net/vendor/topthink/framework/src/think/facade/View.php ( 1.70 KB )
/yingpanguazai/ssd/ssd1/www/a.sjds.net/vendor/topthink/framework/src/think/View.php ( 4.39 KB )
/yingpanguazai/ssd/ssd1/www/a.sjds.net/vendor/topthink/framework/src/think/Response.php ( 8.81 KB )
/yingpanguazai/ssd/ssd1/www/a.sjds.net/vendor/topthink/framework/src/think/response/View.php ( 3.29 KB )
/yingpanguazai/ssd/ssd1/www/a.sjds.net/vendor/topthink/framework/src/think/Cookie.php ( 6.06 KB )
/yingpanguazai/ssd/ssd1/www/a.sjds.net/vendor/topthink/think-view/src/Think.php ( 8.38 KB )
/yingpanguazai/ssd/ssd1/www/a.sjds.net/vendor/topthink/framework/src/think/contract/TemplateHandlerInterface.php ( 1.60 KB )
/yingpanguazai/ssd/ssd1/www/a.sjds.net/vendor/topthink/think-template/src/Template.php ( 46.61 KB )
/yingpanguazai/ssd/ssd1/www/a.sjds.net/vendor/topthink/think-template/src/template/driver/File.php ( 2.41 KB )
/yingpanguazai/ssd/ssd1/www/a.sjds.net/vendor/topthink/think-template/src/template/contract/DriverInterface.php ( 0.86 KB )
/yingpanguazai/ssd/ssd1/www/a.sjds.net/runtime/temp/97cad012e8e159aae2fe347a411e8351.php ( 12.06 KB )
/yingpanguazai/ssd/ssd1/www/a.sjds.net/vendor/topthink/think-trace/src/Html.php ( 4.42 KB )
CONNECT:[ UseTime:0.000465s ] mysql:host=127.0.0.1;port=3306;dbname=a_sjds;charset=utf8mb4
SHOW FULL COLUMNS FROM `fenlei` [ RunTime:0.000515s ]
SELECT * FROM `fenlei` WHERE `fid` = 0 [ RunTime:0.000241s ]
SELECT * FROM `fenlei` WHERE `fid` = 63 [ RunTime:0.000245s ]
SHOW FULL COLUMNS FROM `set` [ RunTime:0.000506s ]
SELECT * FROM `set` [ RunTime:0.000213s ]
SHOW FULL COLUMNS FROM `article` [ RunTime:0.000537s ]
SELECT * FROM `article` WHERE `id` = 477520 LIMIT 1 [ RunTime:0.000549s ]
UPDATE `article` SET `lasttime` = 1775420400 WHERE `id` = 477520 [ RunTime:0.000626s ]
SELECT * FROM `fenlei` WHERE `id` = 66 LIMIT 1 [ RunTime:0.000272s ]
SELECT * FROM `article` WHERE `id` < 477520 ORDER BY `id` DESC LIMIT 1 [ RunTime:0.001841s ]
SELECT * FROM `article` WHERE `id` > 477520 ORDER BY `id` ASC LIMIT 1 [ RunTime:0.002209s ]
SELECT * FROM `article` WHERE `id` < 477520 ORDER BY `id` DESC LIMIT 10 [ RunTime:0.011403s ]
SELECT * FROM `article` WHERE `id` < 477520 ORDER BY `id` DESC LIMIT 10,10 [ RunTime:0.011266s ]
SELECT * FROM `article` WHERE `id` < 477520 ORDER BY `id` DESC LIMIT 20,10 [ RunTime:0.012218s ]
0.136638s