1. 售货员推介某家用电吹风:“老款功率仅800W、新款功率升级为2000W”。则新款电吹风使用时( ) A.更省电B.更费电C.更节约时间D.电压更高 【答案】C 【详解】AB.用电吹风吹干同一物体,物体需要吸收的热量一定,则消耗的电能相同,故AB不符合题意; C.使用电吹风时,根据W=Pt,消耗的电能一定,吹风机的电功率越大,越节省时间,故C符合题意; D.家庭电路的电压为220V,不同的家用电吹风的额定电压相同,故D不符合题意。故选C。 2.甲、乙两个LED灯泡的参数如图所示,则下列说法中正确的是( ) 
A.两灯均正常发光时,甲灯消耗的电能较多 B.两灯均正常发光时,乙灯消耗的电能较多 C.两灯均正常发光时,甲灯比乙灯亮 D.两灯均正常发光时,乙灯比甲灯亮 【答案】D 【详解】由铭牌可知:甲灯的额定电压为36V,额定功率为24W;乙灯的额定电压为24V,额定功率为48W。 AB.两灯均正常发光时,由W=Pt可知,工作时间未知,故两灯消耗的电能无法判断,故AB错误; CD.两灯均正常发光时,甲灯的实际功率是24W,乙灯的实际功率是48W,乙灯的实际功率大,乙灯亮,故D正确,C错误。 故选D。 3. 如图所示是一种电能表,下列说法中正确的是( ) A.电能表是测量电功率的仪表 B.铝盘转得越快说明电流做功越快 C.该电能表的读数为3021kW∙h D.铝盘每转过1500转电路消耗电能2000J 
【答案】 B 【详解】A.电能表是测量电能或电功的仪表。故A错误; B.电能表铝盘转得越快,即相同时间内电路消耗的电能多,即电路的功率大,即电流做功快。故B正确; C.电能表示数中最后一位数字的单位是0.1kW∙h,电能示数为302.1kW∙h。故C错误; D.铝盘转过1500转,电路消耗的电能为 
故D错误。故选B。 4.华为最新款手机Mate70RS全球发布,其中内置的麒麟9020芯片是由______(选填“导体”“半导体”或“超导体”)材料制成的。电池容量约6000mA·h,额定电压3.7V,支持100W有线超级快充和80W无线快充。“超级快充”的“快”是指_____(填写物理量),若采用有线快充方式给电池充电,则充满需要的时间是_____s。 【答案】半导体电功率799.2 【详解】芯片的主要材料是半导体,因为半导体的导电性介于导体和绝缘体之间, 可以通过掺杂等手段精确控制其电学性能,广泛应用于集成电路制造,所以麒麟9020芯片是由半导体材料制成的。 “超级快充”的“快”是指充电功率大,功率是表示做功快慢(这里是电能转化为化学能快慢)的物理量,所以这里填功率。 根据公式W=UIt,则电池储存的电能W=UIt=3.7V×6A×3600s=79920J 由题意知,有线快充的功率100W,根据P=W/t可知,充满需要的时间是 5.如图所示是一台常用的电热饮水机的铭牌数据和电路原理图。其中S是温控开关, R1是定值电阻,R2是加热电阻。当S闭合时,饮水机处于加热状态;当S断开时,饮水机处于保温状态。 
(1)求在加热状态下,饮水机正常工作时电路中的电流是多大? (2)求电阻R1的阻值(保温功率是指整个电路消耗的功率)? 【答案】(1)2A;(2)1100Ω。 【详解】(1)由P=UI可得,饮水机正常工作时电路中的电流 
(2)当S闭合时,电路为R2的简单电路,饮水机处于加热状态,由 可得,R2的阻值 
当S断开时,R1与R2串联,饮水机处于保温状态,电路中的总电阻 
因串联电路中总电阻等于各分电阻之和,所以电阻R1的阻值 
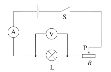
6. 小明发现家里不同房间的灯亮度不同,猜想可能是与灯泡的电功率有关。他找来若干节干电池、开关、滑动变阻器、电流表、电压表、同一规格的导线若干,测量额定电压为2.5V小灯泡L的功率。 
(1)小明选择两节干电池进行实验,连接的实物电路如图甲所示,闭合开关前,滑动变阻器的滑片P应放置在(填“左”或“右”)端; (2)闭合开关后,移动滑动变阻器的滑片,使电压表的示数为2V,读出电流表示数,记人数据;继续移动滑片,即使将滑片移动到阻值最小的位置,小灯泡两端电压也无法达到2.5V,解决的办法是; (3)问题解决后,移动滑动变阻器的滑片,使小灯泡两端电压达到2.5V,此时电流表示数如乙图所示,则小灯泡L1的额定功率P1为W。 【答案】(1)左;(2)加一节电池;(3)0.75 【详解】(1)闭合开关前,为了保护电路,应将滑片移动到阻值最大的位置,即最左端。 (2)实验中选择两节干电池,即使将滑片移动到阻值最小的位置(滑动变阻器分得电压为0),小灯泡两端电压也无法达到2.5V,说明电流表和导线(有一定的电阻)分得的电压较大,则为了完成该实验,需增大电源电压,解决的办法是加一节干电池。 (3)由图知,电流表所选量程为0~0.6A,示数为0.3A,则小灯泡的额定功率 
|