教学资料
教案
讲义
课件
当前位置:
首页
>
课件
>【图文课件】涡流检测技术学习--全文可下载
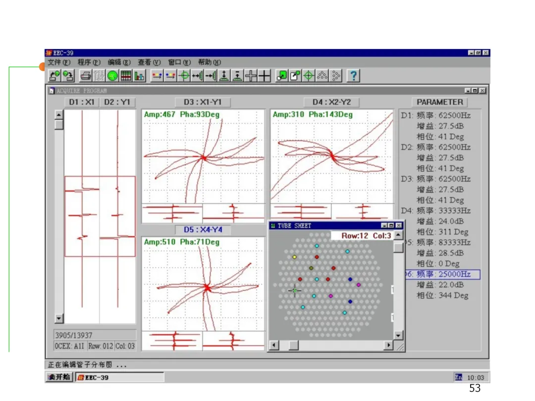
【图文课件】涡流检测技术学习--全文可下载
2026-03-29 10:57:57
【图文课件】涡流检测技术学习--全文可下载
(需要电子版的可在公众号对话框回复:140,可获得下载链接。)
(需要电子版的可在公众号对话框回复:140,可获得下载链接。)
涡流二级备考群入口
本文来自网友投稿或网络内容,如有侵犯您的权益请联系我们删除,联系邮箱:wyl860211@qq.com 。
2025版高考一轮、二轮、微专题复习课件展示
员工春节出行安全手册45页--课件可获取!
最新文章
2025版高考一轮、二轮、微专题复习课件展示
八年级道德与法治下册新教材解读课件(统编版)
托福听力TPO15精听讲义 | 对话1:The Campus Newspaper's Reporter Position
托福听力TPO15精听讲义 | 对话2:Performance on a Biology Exam
托福听力TPO15精听讲义 | 讲座4: Biological Community
托福听力TPO15精听讲义 | 讲座2: Geologic Time Periods
御道书院研究会讲义第五十七期 西湖
2026春新外研版七年级下册英语寒假讲义(可免费下载打印)
体佛法师《金刚经》讲义(三十五)
托福听力TPO15精听讲义 | 讲座3: Palimpsest
热门文章
【培训课件】企业如何提前布局、贯彻ISO/DIS 9001:2026质量管理体系要求(第一课)
英皇小提琴1-8级教案合集
托福听力TPO15精听讲义 | 讲座1: Distraction
人教版八年级下册英语新教材Unit 6课件下载
幼儿园教师昭君出塞_社会语言_大班_教案+PPT课件备课图片
26春人教版四年级下册语文全册课件
采购管理实战培训课件53页PPT课件,免费分享!
七年级下册历史 教案 1.6 隋唐时期的中外文化交流
高考作文“论点”构建与深化精讲讲义
【培训课件】企业如何提前布局、贯彻ISO/DIS 9001:2026质量管理体系要求(第一课)
随机文章
10个月宝宝每天需要喝多少奶粉?
八年级道德与法治下册新教材解读课件(统编版)
2026年雷锋主题少先队活动课课件教案逐字稿/2026年雷锋主题队会课PPT/传承雷锋精神 争做新时代好少年
2026八下语文|《桃花源记》寒假预习讲义+考点全整理,免费领可打印
八年级语文下册新教材解读课件(统编版)
生产件批准程序(PPAP)实践培训课件大纲
倪海厦《皇帝内经》讲义(一四七)
学校迎接督导检查,让老师连夜补教案合适吗?
七年级下册语文《说和做》任务型课件和教学设计和导学案
巴斯蒂安1-3册备课教案
生产件批准程序(PPAP)实践培训课件大纲
基本
文件
流程
错误
SQL
调试
请求信息 : 2026-04-05 00:16:18 HTTP/2.0 GET : https://a.sjds.net/a/468518.html
运行时间 : 0.201354s [ 吞吐率:4.97req/s ] 内存消耗:4,885.05kb 文件加载:140
缓存信息 : 0 reads,0 writes
会话信息 : SESSION_ID=6e77eddfa34d9a989b8fb1703723bdc4
/yingpanguazai/ssd/ssd1/www/a.sjds.net/public/index.php ( 0.79 KB )
/yingpanguazai/ssd/ssd1/www/a.sjds.net/vendor/autoload.php ( 0.17 KB )
/yingpanguazai/ssd/ssd1/www/a.sjds.net/vendor/composer/autoload_real.php ( 2.49 KB )
/yingpanguazai/ssd/ssd1/www/a.sjds.net/vendor/composer/platform_check.php ( 0.90 KB )
/yingpanguazai/ssd/ssd1/www/a.sjds.net/vendor/composer/ClassLoader.php ( 14.03 KB )
/yingpanguazai/ssd/ssd1/www/a.sjds.net/vendor/composer/autoload_static.php ( 4.90 KB )
/yingpanguazai/ssd/ssd1/www/a.sjds.net/vendor/topthink/think-helper/src/helper.php ( 8.34 KB )
/yingpanguazai/ssd/ssd1/www/a.sjds.net/vendor/topthink/think-validate/src/helper.php ( 2.19 KB )
/yingpanguazai/ssd/ssd1/www/a.sjds.net/vendor/topthink/think-orm/src/helper.php ( 1.47 KB )
/yingpanguazai/ssd/ssd1/www/a.sjds.net/vendor/topthink/think-orm/stubs/load_stubs.php ( 0.16 KB )
/yingpanguazai/ssd/ssd1/www/a.sjds.net/vendor/topthink/framework/src/think/Exception.php ( 1.69 KB )
/yingpanguazai/ssd/ssd1/www/a.sjds.net/vendor/topthink/think-container/src/Facade.php ( 2.71 KB )
/yingpanguazai/ssd/ssd1/www/a.sjds.net/vendor/symfony/deprecation-contracts/function.php ( 0.99 KB )
/yingpanguazai/ssd/ssd1/www/a.sjds.net/vendor/symfony/polyfill-mbstring/bootstrap.php ( 8.26 KB )
/yingpanguazai/ssd/ssd1/www/a.sjds.net/vendor/symfony/polyfill-mbstring/bootstrap80.php ( 9.78 KB )
/yingpanguazai/ssd/ssd1/www/a.sjds.net/vendor/symfony/var-dumper/Resources/functions/dump.php ( 1.49 KB )
/yingpanguazai/ssd/ssd1/www/a.sjds.net/vendor/topthink/think-dumper/src/helper.php ( 0.18 KB )
/yingpanguazai/ssd/ssd1/www/a.sjds.net/vendor/symfony/var-dumper/VarDumper.php ( 4.30 KB )
/yingpanguazai/ssd/ssd1/www/a.sjds.net/vendor/topthink/framework/src/think/App.php ( 15.30 KB )
/yingpanguazai/ssd/ssd1/www/a.sjds.net/vendor/topthink/think-container/src/Container.php ( 15.76 KB )
/yingpanguazai/ssd/ssd1/www/a.sjds.net/vendor/psr/container/src/ContainerInterface.php ( 1.02 KB )
/yingpanguazai/ssd/ssd1/www/a.sjds.net/app/provider.php ( 0.19 KB )
/yingpanguazai/ssd/ssd1/www/a.sjds.net/vendor/topthink/framework/src/think/Http.php ( 6.04 KB )
/yingpanguazai/ssd/ssd1/www/a.sjds.net/vendor/topthink/think-helper/src/helper/Str.php ( 7.29 KB )
/yingpanguazai/ssd/ssd1/www/a.sjds.net/vendor/topthink/framework/src/think/Env.php ( 4.68 KB )
/yingpanguazai/ssd/ssd1/www/a.sjds.net/app/common.php ( 0.03 KB )
/yingpanguazai/ssd/ssd1/www/a.sjds.net/vendor/topthink/framework/src/helper.php ( 18.78 KB )
/yingpanguazai/ssd/ssd1/www/a.sjds.net/vendor/topthink/framework/src/think/Config.php ( 5.54 KB )
/yingpanguazai/ssd/ssd1/www/a.sjds.net/config/app.php ( 0.95 KB )
/yingpanguazai/ssd/ssd1/www/a.sjds.net/config/cache.php ( 0.78 KB )
/yingpanguazai/ssd/ssd1/www/a.sjds.net/config/console.php ( 0.23 KB )
/yingpanguazai/ssd/ssd1/www/a.sjds.net/config/cookie.php ( 0.56 KB )
/yingpanguazai/ssd/ssd1/www/a.sjds.net/config/database.php ( 2.48 KB )
/yingpanguazai/ssd/ssd1/www/a.sjds.net/vendor/topthink/framework/src/think/facade/Env.php ( 1.67 KB )
/yingpanguazai/ssd/ssd1/www/a.sjds.net/config/filesystem.php ( 0.61 KB )
/yingpanguazai/ssd/ssd1/www/a.sjds.net/config/lang.php ( 0.91 KB )
/yingpanguazai/ssd/ssd1/www/a.sjds.net/config/log.php ( 1.35 KB )
/yingpanguazai/ssd/ssd1/www/a.sjds.net/config/middleware.php ( 0.19 KB )
/yingpanguazai/ssd/ssd1/www/a.sjds.net/config/route.php ( 1.89 KB )
/yingpanguazai/ssd/ssd1/www/a.sjds.net/config/session.php ( 0.57 KB )
/yingpanguazai/ssd/ssd1/www/a.sjds.net/config/trace.php ( 0.34 KB )
/yingpanguazai/ssd/ssd1/www/a.sjds.net/config/view.php ( 0.82 KB )
/yingpanguazai/ssd/ssd1/www/a.sjds.net/app/event.php ( 0.25 KB )
/yingpanguazai/ssd/ssd1/www/a.sjds.net/vendor/topthink/framework/src/think/Event.php ( 7.67 KB )
/yingpanguazai/ssd/ssd1/www/a.sjds.net/app/service.php ( 0.13 KB )
/yingpanguazai/ssd/ssd1/www/a.sjds.net/app/AppService.php ( 0.26 KB )
/yingpanguazai/ssd/ssd1/www/a.sjds.net/vendor/topthink/framework/src/think/Service.php ( 1.64 KB )
/yingpanguazai/ssd/ssd1/www/a.sjds.net/vendor/topthink/framework/src/think/Lang.php ( 7.35 KB )
/yingpanguazai/ssd/ssd1/www/a.sjds.net/vendor/topthink/framework/src/lang/zh-cn.php ( 13.70 KB )
/yingpanguazai/ssd/ssd1/www/a.sjds.net/vendor/topthink/framework/src/think/initializer/Error.php ( 3.31 KB )
/yingpanguazai/ssd/ssd1/www/a.sjds.net/vendor/topthink/framework/src/think/initializer/RegisterService.php ( 1.33 KB )
/yingpanguazai/ssd/ssd1/www/a.sjds.net/vendor/services.php ( 0.14 KB )
/yingpanguazai/ssd/ssd1/www/a.sjds.net/vendor/topthink/framework/src/think/service/PaginatorService.php ( 1.52 KB )
/yingpanguazai/ssd/ssd1/www/a.sjds.net/vendor/topthink/framework/src/think/service/ValidateService.php ( 0.99 KB )
/yingpanguazai/ssd/ssd1/www/a.sjds.net/vendor/topthink/framework/src/think/service/ModelService.php ( 2.04 KB )
/yingpanguazai/ssd/ssd1/www/a.sjds.net/vendor/topthink/think-trace/src/Service.php ( 0.77 KB )
/yingpanguazai/ssd/ssd1/www/a.sjds.net/vendor/topthink/framework/src/think/Middleware.php ( 6.72 KB )
/yingpanguazai/ssd/ssd1/www/a.sjds.net/vendor/topthink/framework/src/think/initializer/BootService.php ( 0.77 KB )
/yingpanguazai/ssd/ssd1/www/a.sjds.net/vendor/topthink/think-orm/src/Paginator.php ( 11.86 KB )
/yingpanguazai/ssd/ssd1/www/a.sjds.net/vendor/topthink/think-validate/src/Validate.php ( 63.20 KB )
/yingpanguazai/ssd/ssd1/www/a.sjds.net/vendor/topthink/think-orm/src/Model.php ( 23.55 KB )
/yingpanguazai/ssd/ssd1/www/a.sjds.net/vendor/topthink/think-orm/src/model/concern/Attribute.php ( 21.05 KB )
/yingpanguazai/ssd/ssd1/www/a.sjds.net/vendor/topthink/think-orm/src/model/concern/AutoWriteData.php ( 4.21 KB )
/yingpanguazai/ssd/ssd1/www/a.sjds.net/vendor/topthink/think-orm/src/model/concern/Conversion.php ( 6.44 KB )
/yingpanguazai/ssd/ssd1/www/a.sjds.net/vendor/topthink/think-orm/src/model/concern/DbConnect.php ( 5.16 KB )
/yingpanguazai/ssd/ssd1/www/a.sjds.net/vendor/topthink/think-orm/src/model/concern/ModelEvent.php ( 2.33 KB )
/yingpanguazai/ssd/ssd1/www/a.sjds.net/vendor/topthink/think-orm/src/model/concern/RelationShip.php ( 28.29 KB )
/yingpanguazai/ssd/ssd1/www/a.sjds.net/vendor/topthink/think-helper/src/contract/Arrayable.php ( 0.09 KB )
/yingpanguazai/ssd/ssd1/www/a.sjds.net/vendor/topthink/think-helper/src/contract/Jsonable.php ( 0.13 KB )
/yingpanguazai/ssd/ssd1/www/a.sjds.net/vendor/topthink/think-orm/src/model/contract/Modelable.php ( 0.09 KB )
/yingpanguazai/ssd/ssd1/www/a.sjds.net/vendor/topthink/framework/src/think/Db.php ( 2.88 KB )
/yingpanguazai/ssd/ssd1/www/a.sjds.net/vendor/topthink/think-orm/src/DbManager.php ( 8.52 KB )
/yingpanguazai/ssd/ssd1/www/a.sjds.net/vendor/topthink/framework/src/think/Log.php ( 6.28 KB )
/yingpanguazai/ssd/ssd1/www/a.sjds.net/vendor/topthink/framework/src/think/Manager.php ( 3.92 KB )
/yingpanguazai/ssd/ssd1/www/a.sjds.net/vendor/psr/log/src/LoggerTrait.php ( 2.69 KB )
/yingpanguazai/ssd/ssd1/www/a.sjds.net/vendor/psr/log/src/LoggerInterface.php ( 2.71 KB )
/yingpanguazai/ssd/ssd1/www/a.sjds.net/vendor/topthink/framework/src/think/Cache.php ( 4.92 KB )
/yingpanguazai/ssd/ssd1/www/a.sjds.net/vendor/psr/simple-cache/src/CacheInterface.php ( 4.71 KB )
/yingpanguazai/ssd/ssd1/www/a.sjds.net/vendor/topthink/think-helper/src/helper/Arr.php ( 16.63 KB )
/yingpanguazai/ssd/ssd1/www/a.sjds.net/vendor/topthink/framework/src/think/cache/driver/File.php ( 7.84 KB )
/yingpanguazai/ssd/ssd1/www/a.sjds.net/vendor/topthink/framework/src/think/cache/Driver.php ( 9.03 KB )
/yingpanguazai/ssd/ssd1/www/a.sjds.net/vendor/topthink/framework/src/think/contract/CacheHandlerInterface.php ( 1.99 KB )
/yingpanguazai/ssd/ssd1/www/a.sjds.net/app/Request.php ( 0.09 KB )
/yingpanguazai/ssd/ssd1/www/a.sjds.net/vendor/topthink/framework/src/think/Request.php ( 55.78 KB )
/yingpanguazai/ssd/ssd1/www/a.sjds.net/app/middleware.php ( 0.25 KB )
/yingpanguazai/ssd/ssd1/www/a.sjds.net/vendor/topthink/framework/src/think/Pipeline.php ( 2.61 KB )
/yingpanguazai/ssd/ssd1/www/a.sjds.net/vendor/topthink/think-trace/src/TraceDebug.php ( 3.40 KB )
/yingpanguazai/ssd/ssd1/www/a.sjds.net/vendor/topthink/framework/src/think/middleware/SessionInit.php ( 1.94 KB )
/yingpanguazai/ssd/ssd1/www/a.sjds.net/vendor/topthink/framework/src/think/Session.php ( 1.80 KB )
/yingpanguazai/ssd/ssd1/www/a.sjds.net/vendor/topthink/framework/src/think/session/driver/File.php ( 6.27 KB )
/yingpanguazai/ssd/ssd1/www/a.sjds.net/vendor/topthink/framework/src/think/contract/SessionHandlerInterface.php ( 0.87 KB )
/yingpanguazai/ssd/ssd1/www/a.sjds.net/vendor/topthink/framework/src/think/session/Store.php ( 7.12 KB )
/yingpanguazai/ssd/ssd1/www/a.sjds.net/vendor/topthink/framework/src/think/Route.php ( 23.73 KB )
/yingpanguazai/ssd/ssd1/www/a.sjds.net/vendor/topthink/framework/src/think/route/RuleName.php ( 5.75 KB )
/yingpanguazai/ssd/ssd1/www/a.sjds.net/vendor/topthink/framework/src/think/route/Domain.php ( 2.53 KB )
/yingpanguazai/ssd/ssd1/www/a.sjds.net/vendor/topthink/framework/src/think/route/RuleGroup.php ( 22.43 KB )
/yingpanguazai/ssd/ssd1/www/a.sjds.net/vendor/topthink/framework/src/think/route/Rule.php ( 26.95 KB )
/yingpanguazai/ssd/ssd1/www/a.sjds.net/vendor/topthink/framework/src/think/route/RuleItem.php ( 9.78 KB )
/yingpanguazai/ssd/ssd1/www/a.sjds.net/route/app.php ( 1.72 KB )
/yingpanguazai/ssd/ssd1/www/a.sjds.net/vendor/topthink/framework/src/think/facade/Route.php ( 4.70 KB )
/yingpanguazai/ssd/ssd1/www/a.sjds.net/vendor/topthink/framework/src/think/route/dispatch/Controller.php ( 4.74 KB )
/yingpanguazai/ssd/ssd1/www/a.sjds.net/vendor/topthink/framework/src/think/route/Dispatch.php ( 10.44 KB )
/yingpanguazai/ssd/ssd1/www/a.sjds.net/app/controller/Index.php ( 4.81 KB )
/yingpanguazai/ssd/ssd1/www/a.sjds.net/app/BaseController.php ( 2.05 KB )
/yingpanguazai/ssd/ssd1/www/a.sjds.net/vendor/topthink/think-orm/src/facade/Db.php ( 0.93 KB )
/yingpanguazai/ssd/ssd1/www/a.sjds.net/vendor/topthink/think-orm/src/db/connector/Mysql.php ( 5.44 KB )
/yingpanguazai/ssd/ssd1/www/a.sjds.net/vendor/topthink/think-orm/src/db/PDOConnection.php ( 52.47 KB )
/yingpanguazai/ssd/ssd1/www/a.sjds.net/vendor/topthink/think-orm/src/db/Connection.php ( 8.39 KB )
/yingpanguazai/ssd/ssd1/www/a.sjds.net/vendor/topthink/think-orm/src/db/ConnectionInterface.php ( 4.57 KB )
/yingpanguazai/ssd/ssd1/www/a.sjds.net/vendor/topthink/think-orm/src/db/builder/Mysql.php ( 16.58 KB )
/yingpanguazai/ssd/ssd1/www/a.sjds.net/vendor/topthink/think-orm/src/db/Builder.php ( 24.06 KB )
/yingpanguazai/ssd/ssd1/www/a.sjds.net/vendor/topthink/think-orm/src/db/BaseBuilder.php ( 27.50 KB )
/yingpanguazai/ssd/ssd1/www/a.sjds.net/vendor/topthink/think-orm/src/db/Query.php ( 15.71 KB )
/yingpanguazai/ssd/ssd1/www/a.sjds.net/vendor/topthink/think-orm/src/db/BaseQuery.php ( 45.13 KB )
/yingpanguazai/ssd/ssd1/www/a.sjds.net/vendor/topthink/think-orm/src/db/concern/TimeFieldQuery.php ( 7.43 KB )
/yingpanguazai/ssd/ssd1/www/a.sjds.net/vendor/topthink/think-orm/src/db/concern/AggregateQuery.php ( 3.26 KB )
/yingpanguazai/ssd/ssd1/www/a.sjds.net/vendor/topthink/think-orm/src/db/concern/ModelRelationQuery.php ( 20.07 KB )
/yingpanguazai/ssd/ssd1/www/a.sjds.net/vendor/topthink/think-orm/src/db/concern/ParamsBind.php ( 3.66 KB )
/yingpanguazai/ssd/ssd1/www/a.sjds.net/vendor/topthink/think-orm/src/db/concern/ResultOperation.php ( 7.01 KB )
/yingpanguazai/ssd/ssd1/www/a.sjds.net/vendor/topthink/think-orm/src/db/concern/WhereQuery.php ( 19.37 KB )
/yingpanguazai/ssd/ssd1/www/a.sjds.net/vendor/topthink/think-orm/src/db/concern/JoinAndViewQuery.php ( 7.11 KB )
/yingpanguazai/ssd/ssd1/www/a.sjds.net/vendor/topthink/think-orm/src/db/concern/TableFieldInfo.php ( 2.63 KB )
/yingpanguazai/ssd/ssd1/www/a.sjds.net/vendor/topthink/think-orm/src/db/concern/Transaction.php ( 2.77 KB )
/yingpanguazai/ssd/ssd1/www/a.sjds.net/vendor/topthink/framework/src/think/log/driver/File.php ( 5.96 KB )
/yingpanguazai/ssd/ssd1/www/a.sjds.net/vendor/topthink/framework/src/think/contract/LogHandlerInterface.php ( 0.86 KB )
/yingpanguazai/ssd/ssd1/www/a.sjds.net/vendor/topthink/framework/src/think/log/Channel.php ( 3.89 KB )
/yingpanguazai/ssd/ssd1/www/a.sjds.net/vendor/topthink/framework/src/think/event/LogRecord.php ( 1.02 KB )
/yingpanguazai/ssd/ssd1/www/a.sjds.net/vendor/topthink/think-helper/src/Collection.php ( 16.47 KB )
/yingpanguazai/ssd/ssd1/www/a.sjds.net/vendor/topthink/framework/src/think/facade/View.php ( 1.70 KB )
/yingpanguazai/ssd/ssd1/www/a.sjds.net/vendor/topthink/framework/src/think/View.php ( 4.39 KB )
/yingpanguazai/ssd/ssd1/www/a.sjds.net/vendor/topthink/framework/src/think/Response.php ( 8.81 KB )
/yingpanguazai/ssd/ssd1/www/a.sjds.net/vendor/topthink/framework/src/think/response/View.php ( 3.29 KB )
/yingpanguazai/ssd/ssd1/www/a.sjds.net/vendor/topthink/framework/src/think/Cookie.php ( 6.06 KB )
/yingpanguazai/ssd/ssd1/www/a.sjds.net/vendor/topthink/think-view/src/Think.php ( 8.38 KB )
/yingpanguazai/ssd/ssd1/www/a.sjds.net/vendor/topthink/framework/src/think/contract/TemplateHandlerInterface.php ( 1.60 KB )
/yingpanguazai/ssd/ssd1/www/a.sjds.net/vendor/topthink/think-template/src/Template.php ( 46.61 KB )
/yingpanguazai/ssd/ssd1/www/a.sjds.net/vendor/topthink/think-template/src/template/driver/File.php ( 2.41 KB )
/yingpanguazai/ssd/ssd1/www/a.sjds.net/vendor/topthink/think-template/src/template/contract/DriverInterface.php ( 0.86 KB )
/yingpanguazai/ssd/ssd1/www/a.sjds.net/runtime/temp/97cad012e8e159aae2fe347a411e8351.php ( 12.06 KB )
/yingpanguazai/ssd/ssd1/www/a.sjds.net/vendor/topthink/think-trace/src/Html.php ( 4.42 KB )
CONNECT:[ UseTime:0.000949s ] mysql:host=127.0.0.1;port=3306;dbname=a_sjds;charset=utf8mb4
SHOW FULL COLUMNS FROM `fenlei` [ RunTime:0.001693s ]
SELECT * FROM `fenlei` WHERE `fid` = 0 [ RunTime:0.001090s ]
SELECT * FROM `fenlei` WHERE `fid` = 63 [ RunTime:0.000813s ]
SHOW FULL COLUMNS FROM `set` [ RunTime:0.001590s ]
SELECT * FROM `set` [ RunTime:0.000572s ]
SHOW FULL COLUMNS FROM `article` [ RunTime:0.001477s ]
SELECT * FROM `article` WHERE `id` = 468518 LIMIT 1 [ RunTime:0.000928s ]
UPDATE `article` SET `lasttime` = 1775319378 WHERE `id` = 468518 [ RunTime:0.003905s ]
SELECT * FROM `fenlei` WHERE `id` = 66 LIMIT 1 [ RunTime:0.000761s ]
SELECT * FROM `article` WHERE `id` < 468518 ORDER BY `id` DESC LIMIT 1 [ RunTime:0.001532s ]
SELECT * FROM `article` WHERE `id` > 468518 ORDER BY `id` ASC LIMIT 1 [ RunTime:0.001201s ]
SELECT * FROM `article` WHERE `id` < 468518 ORDER BY `id` DESC LIMIT 10 [ RunTime:0.003095s ]
SELECT * FROM `article` WHERE `id` < 468518 ORDER BY `id` DESC LIMIT 10,10 [ RunTime:0.003056s ]
SELECT * FROM `article` WHERE `id` < 468518 ORDER BY `id` DESC LIMIT 20,10 [ RunTime:0.002930s ]
0.203519s