氯及其化合物(期末复习讲义)
内容导航
明·期末考情:把握考试趋势方向,精准备考
理·核心要点:系统归纳知识脉络,构建体系
破·重难题型:攻克典型疑难问题,突破瓶颈
过·分层验收:阶梯式检测与评估,稳步提升

考查重点 | 命题角度 |
氯气的性质与制备 | 氯气的物理性质;氯气的化学性质;氯气的实验室制备 |
次氯酸与含氯消毒剂 | HClO 的性质;含氯消毒剂:漂白液(有效成分 NaClO)、漂白粉(有(效成分Ca(ClO)2) |
氯离子的检验 | 检验操作方法;检验答题规范;防干扰; |
氯水的成分与性质 | 新制与久置氯水的成分;氯水的性质;新制氯水的保存 |
氯及其化合物的转化 | 转化关系的基础判断;转化反应的离子方程式书写;转化关系的应用 |

要点01 氯气的性质与制备
1.物理性质
【特别提醒】实验室里闻有毒气体及未知气体气味的方法是:用手在瓶口,仅使气体飘进鼻孔。
2.化学性质
1)从氯的原子结构认识氯气的氧化性:

依据氯气的氧化性完成下列方程式:
(1)与金属反应:表现性,将变价金属氧化成金属氯化物
①Na:,产生火焰,冒烟
②Fe:,产生烟。
③Cu:,产生烟。
(2)与非金属单质H2反应:条件,产物,现象
①点燃:,燃烧,产生色火焰,瓶口有
②光照:,发生
(3)与还原性无机化合物反应:
①与碘化钾溶液反应:。
②与SO2水溶液反应:。
③与FeCl2溶液反应:。
2)从化合价的角度认识Cl2的歧化反应
Cl2中氯元素化合价为0,为中间价态,可升可降,氯气与水或碱反应,氯的化合价既有升高又有降低,因而氯气既表现氧化性又表现还原性。
(1)与水反应
化学方程式:,
离子方程式:。
(2)与碱反应
①与烧碱反应:。
②制取漂白粉:。
3.氯气的用途
(1)制漂白液、漂白粉、漂粉精
(制漂白液,主要成分是、,有效成分是)。
(制漂白粉、漂粉精)
漂白粉:主要成分是、,有效成分为,含有效氯约为35%。
漂粉精:有效成分为,含有效氯约为70%。
(2)工业制盐酸

(3)合成塑料、橡胶、人造纤维、农药、染料和药品等。
4.氯气的实验室制法
1)制取原理
实验室通常用强氧化剂MnO2、KMnO4、K2Cr2O7、KClO3、Ca(ClO)2等氧化浓盐酸制取氯气。
(1)用MnO2制取Cl2的化学方程式:。
(2)其他制备Cl2的化学反应原理(特点:不需要加热)
①
②
③
④
2)实验装置


注:实验装置改进
(1)制备装置

橡皮管a的作用:使圆底烧瓶与分液漏斗内气压,保证液体。
(2)净化装置

改进作用①装置中长颈漏斗的作用除用于检查装置气密性外,还可以检查整套装置是否发生堵塞。若发生堵塞现象为:长颈漏斗中液面。
②该装置的作用之一是观察气体的。
(3)干燥装置

改进作用:用同样能吸收氯气中的水蒸气,且操作方便安全,但不能用。
3)制取流程
(1)制备装置类型:固体+液体△气体
(2)净化方法:用除去HCl,再用除去水蒸气。
(3)收集方法:①氯气的密度比空气大,可用排空气法收集②氯气在饱和食盐中的溶解度较小,可用排法收集。
(4)验满方法:①将湿润的淀粉KI试纸靠近盛Cl2的试剂瓶口,观察到试纸立即,则证明已集满;②将湿润的蓝色石蕊试纸靠近盛Cl2的试剂瓶口,观察到试纸,则证明已集满;③根据氯气的颜色,装置充满了,则证明已集满。
(5)尾气吸收:用吸收,不用Ca(OH)2溶液吸收的原因是Ca(OH)2溶解度,溶液浓度,吸收不完全。
归|纳|总|结 |
(1)常温下液态氯与铁不反应,故可用钢瓶贮运液氯。 (2)1 mol Cl2与足量H2完全反应转移电子数为2NA,1 mol Cl2与足量强碱完全反应转移电子数为NA,1 mol Cl2与足量水充分反应转移电子数小于NA(可逆反应)。 (3)工业制漂白粉应选择石灰乳,而不是石灰水、石灰粉。 (4)实验室制取氯气的注意事项 ①反应物的选择:必须用浓盐酸,稀盐酸与MnO2不反应,且随着反应的进行,浓盐酸变为稀盐酸时,反应停止,故盐酸中的HCl不可能全部参加反应。 ②加热温度:不宜过高,以减少HCl挥发。 ③实验结束后,先使反应停止并排出残留的Cl2后,再拆卸装置,避免污染空气。 ④尾气吸收时,用NaOH溶液吸收Cl2,不能用澄清石灰水吸收,因为澄清石灰水中含Ca(OH)2的量少,吸收不完全。 |
要点02 次氯酸与含氯消毒剂
1.次氯酸
①不稳定性:次氯酸分解反应的化学方程式为,氯水要,且保存在试剂瓶中,并置于处。
②强氧化性
a.能将物质氧化为无色物质,作剂。
b.杀菌、消毒。
③弱酸性:向NaClO溶液中通入少量CO2,离子方程式为。
④次氯酸的漂白原理、特点及应用范围

2.“84”消毒液:主要成分为,有效成分为,它与洁厕灵(主要成分盐酸)混合立即会产生氯气,其离子方程式是。
3.漂白粉
①成分:漂白粉的主要成分是,其中有效成分是。
②化学性质:水解呈碱性,具有性。
③漂白原理:在潮湿的空气中能吸收CO2,化学方程式为。
④久置失效原理:Ca(ClO)2+CO2+H2O===2HClO+CaCO3↓;,必须密封保存。
4.氯胺
(1)氯胺的种类:氯胺是由氯气遇到氨气反应生成的一类化合物,主要包括一氯胺、二氯胺和三氯胺(NH2Cl,NHCl2和NCl3),是常用的饮用水二级消毒剂。
(2)氯胺的化合价:氯胺中氯为,N为,H为。
(3)氯胺的消毒原理:氯胺在水中发生缓慢水解生成次氯酸,发挥消毒杀菌作用,水解方程式如下:
归|纳|总|结 |
①向Ca(ClO)2溶液中通入少量CO2,发生的反应为Ca2++2ClO-+CO2+H2O===CaCO3↓+2HClO。 ②向Ca(ClO)2溶液中通入SO2,生成的是CaSO4而不是CaSO3。 ③次氯酸盐(ClO-)无论是在酸性、碱性还是中性条件下,均具有强氧化性,均能氧化I-、Fe2+、SO2-3、S2-等还原性离子。 ④84消毒液(主要成分NaClO)和洁厕灵(主要成分HCl)不能混合使用,否则会产生有毒气体——氯气。 ⑤氯气没有漂白性,不能使干燥的有色布条褪色,但可使湿润的有色布条褪色,起漂白作用的是HClO。 ⑥常温下干燥的氯气或液氯均不与铁反应,故液氯通常储存在钢瓶中。 |
要点03氯离子的检验
1.试剂:硝酸银溶液、
2.实验室检验C1-的方法:取少量待测液于试管中,向其中加入少量(排除等离子可能造成的千扰),然后滴入,如产生沉淀,则可判断该溶液中含有C1-。
3.检验CI的注意事项
①检验时要先加稀HNO3以排除CO32-等离子的干扰。不能用,因为,会干扰实验,更不能用,因为。
②若被检液中含有SO42-,需先用除去,然后加入HNO3酸化的AgNO3溶液检验C1-。
归|纳|总|结 |
氯离子的检验 原理 | Cl-+Ag+=AgCl↓AgCl不溶于稀硝酸 | 试剂 | AgNO3溶液和稀硝酸 | 答题模板 | (1)操作:取少许溶液于试管,滴加AgNO3溶液,再加过量稀硝酸 (2)现象:有白色沉淀生成 (3)结论:则溶液中含有Cl- | 注意事项 | ①检验溶液中的Cl-时需加入稀HNO3。以排除CO32-离子的干扰,以免判断错误。 ②不能用稀盐酸酸化,否则会引入Cl-。 ③如果SO2-4和Cl-同时存在,先用过量Ba(NO3)2溶液除去SO2-4,然后再用AgNO3溶液和稀硝酸检验Cl-。 |
|
要点04氯水的成分与性质
1.氯气能溶于水(1∶2),氯气的水溶液称为氯水,溶于水的氯气只有少量与水反应,氯水中存在一个完全电离和三个平衡:
HCl===H++Cl-
Cl2+H2O
HCl+HClO
HClO
H++ClO-
H2O
H++OH-
2.根据可逆反应的特点,氯水中存在着上述关系中的各种微粒:

3.氯水性质的多重性:新制氯水的多种成分决定了它具有多重性质,在不同的化学反应中,氯水中参与反应的微粒不同。

4.液氯、新制氯水、久置氯水的比较
归|纳|总|结 |
氯水的组成及性质在应用中的常见误区 (1)氯水中因HClO见光分解,随着HClO的消耗,最后成为盐酸,故久置氯水酸性增加,无漂白性。因此,氯水要现用现配。 (2)不能用pH试纸测量氯水、次氯酸盐溶液的pH。 (3)Cl2尽管有较强的氧化性,但没有漂白性,氯水具有漂白性是因为Cl2与水反应生成了强氧化性的HClO。 (4)ClO-与Fe2+、I-、S2-、HS-、SO2-3等在水中因发生氧化还原反应而不能大量共存。 |
要点05氯及其化合物的转化
1.理清氯及其化合物之间知识主线:H-1 ―→02―→H+1O―→H+3O2―→H+5O3―→H+7O4
2.构建氯及其重要化合物之间知识网络:

3.氯及其化合物的价类二维图:

4.氯及其化合物重要方程式
①Cl2和H2O的反应:;
②Cl2和NaOH溶液的反应:;
③Cl2和石灰乳的反应:;
④把Cl2通入Na2SO3溶液中:;
⑤将Cl2和SO2混合通入H2O中:;
⑥将Cl2通入氢硫酸溶液中:;
⑦将浓盐酸和MnO2混合加热:;
⑧电解饱和食盐水:;
⑨将浓盐酸与漂白液混合:;
⑩将浓盐酸与KClO3溶液混合:;
⑪向KMnO4固体滴加浓盐酸:;
⑫向漂白粉溶液中通入少量CO2气体:。
归|纳|总|结 |
氯及其化合物的知识盲点 ①液氯密封在钢瓶中,而氯水、次氯酸应保存在棕色试剂瓶中。Cl2在点燃条件下与Fe反应,一定将铁氧化为FeCl3,而不是FeCl2,因为Cl2具有强氧化性。 ②1 mol Cl2参加反应,转移电子数可能为2NA、NA或小于NA(Cl2和H2O的反应为可逆反应)。氯水中有起漂白作用的HClO,不能用pH试纸测定氯水的pH;氯水与还原剂发生反应并要求书写方程式时一般可只考虑Cl2。 ③实验室制Cl2,除了用MnO2和浓盐酸反应外,还可以用KMnO4、KClO3、NaClO与浓盐酸反应且都不需要加热,如ClO-+Cl-+2H+===Cl2↑+H2O。 ④酸化KMnO4溶液,用的是H2SO4酸化而不是盐酸。 ⑤ClO-不论在酸性环境中还是在碱性环境中均能体现强氧化性,如ClO-与SO2-3、I-、Fe2+均不能大量共存;ClO-体现水解性,因HClO酸性很弱,ClO-水解显碱性,如Fe3++3ClO-+3H2O===Fe(OH)3↓+3HClO,所以ClO-与Fe3+、Al3+均不能大量共存。 ⑥向Ca(ClO)2溶液中通入SO2气体生成CaSO4而不是CaSO3,其离子方程式为Ca2++3ClO-+SO2+H2O===CaSO4↓+Cl-+2HClO(少量SO2),Ca2++2ClO-+2SO2+2H2O===CaSO4↓+2Cl-+SO2-4+4H+(过量SO2)。 ⑦当Fe和Cl2在点燃条件下反应时,不论Fe过量或不足,由于Cl2的强氧化性,产物一定是FeCl3。 ⑧“84”消毒液的主要成分为NaClO,漂粉精的有效成分为Ca(ClO)2。“84”消毒液和洁厕灵不能混合使用,其原因是ClO-+Cl-+2H+===Cl2↑+H2O。 ⑨由于电离常数Ka1(H2CO3)>Ka(HClO)>Ka2(H2CO3),所以向NaClO溶液通入CO2,不论CO2过量还是少量,均发生CO2+H2O+ClO-===HClO+HCO-3,但CO2(少)+Ca(ClO)2+H2O===CaCO3↓+2HClO。 ⑩液溴需要用水封,溴蒸气呈红棕色,液溴呈深红棕色,溴水呈橙色,溴的CCl4溶液呈橙红色。 |

题型01 氯及其化合物的性质与用途
【典例1】(24-25高一上·陕西榆林·期末)有关氯及其化合物,下列叙述正确的是
A.将纯净的在中点燃,发出苍白色火焰,产生白烟
B.将新制氯水放在阳光下会产生气泡,主要是溶解度降低
C.“84”消毒液中具有氧化性,不能与洁厕灵(主要成分HCl)混合使用
D.漂白粉比稳定,可露置在空气中长期保存
【变式1-1】(24-25高一上·江苏·期末)下列有关氯水成分实验和结论错误的是
A.氯水的颜色呈浅黄绿色,说明氯水中含有Cl2,久置氯水最终变为稀盐酸
B.向氯水中滴加硝酸酸化的AgNO3溶液,产生白色沉淀,说明氯水中含有Cl-
C.向氯水中加入NaHCO3粉末,有气泡产生,说明氯水中含有H+
D.为测定新制氯水的pH,用玻璃棒蘸取液体滴在pH试纸上,与标准比色卡对照
【变式1-2】(25-26高一上·云南昆明·期中)下列关于氯及其化合物的叙述中,正确的是
A.纯净的氢气在氯气中燃烧发出苍白色的火焰
B.向久置的氯水中滴入紫色石蕊试液,溶液将先变红后褪色
C.检验气体中是否混有HCl气体的方法是将气体通入硝酸银溶液
D.氯气能和铁反应,液氯不可用钢瓶储存
题型02 氯及其化合物的转化关系
【典例2】(24-25高一上·河南新乡·期末)“价-类”二维图是学习元素及其化合物知识的重要模型。氯元素的“价-类”二维图如图所示,a~e分别代表5种不同的纯净物。

已知:e是钠盐。下列说法错误的是
A.a能使紫色石蕊试液变红B.c的酸性比硫酸强
C.b和d都具有漂白性D.e是漂白液的有效成分
【变式2-1】(24-25高一上·湖北武汉·月考)氯及其化合物的“价—类”二维图如图所示,下列有关说法错误的是

A.e是一种新型自来水消毒剂
B.将a的浓溶液与d混合可制取b
C.b→f可通过反应实现
D.c是一种强酸,具有强氧化性,能漂白棉、麻等
【变式2-2】(25-26高一上·山东济宁·期中)中学6种常见物质转化关系如图所示,已知X、Y、Z及b均含有同一种元素,且单质X在常温、常压下为黄绿色气体,Y的水溶液是一种强酸,下列说法不正确的是

A.Y与Z反应不能得到X
B.b为漂白液的有效成分
C.X与a反应是工业制取Y的重要途径之一
D.以上物质中b、c和Y都是电解质
题型03 氯及其化合物的制备与性质探究
【典例3】(25-26高一上·河北衡水·期中)一种制备的原理为(红色粉末)(白色粉末)。某化学小组用如图装置制备(夹持装置已省略)。下列说法错误的是

已知:①的熔点为、沸点为,易溶于水;的沸点为。
②高浓度的不稳定、易爆炸,与有机物接触或加热时会发生剧烈反应。
A.装置①中的现象是红色粉末逐渐变为白色
B.装置①中橡胶塞用铝箔包裹,防止与橡胶接触发生反应
C.通入干燥空气的目的是将生成的稀释,防止发生爆炸
D.从装置②逸出气体的主要成分是
【变式3-1】(25-26高一上·安徽芜湖·期中)某同学利用硬质玻璃管进行氯气性质实验,f处为蘸有KOH溶液棉花,下列说法错误的是

A.b处出现白色物质,说明氯气溶于水并生成
B.c处干燥的蓝色石蕊试纸会变色可能的原因是此时的氯气未被干燥,混有水蒸气
C.处试纸变蓝,发生的反应为
D.蘸有KOH溶液的棉花团的作用是处理尾气
【变式3-2】(24-25高一上·辽宁丹东·期中)实验室可用干燥的氯气与亚氯酸钠固体反应来制备,装置如图所示,已知常温下为黄绿色气体,熔点,沸点,极易溶于水且不与水反应,高浓度的受热时易爆炸,下列说法错误的是

A.A中反应的离子反应方程式为:
B.导气管K的作用是平衡气压,使液体顺利流下
C.C和F中盛装的试剂是碱石灰
D.D中通入一定量的干燥空气,可以防止生成的浓度过高,发生爆炸
题型04 工艺流程中的氯及其重要化合物
【典例4】(24-25高一上·福建龙岩·期末)利用NaClO和尿素[CO(NH2)2]反应制备N2H4∙H2O (水合肼)的实验流程如下图,下列说法错误的是

已知:①氯气与烧碱溶液的反应会放出热量,若温度过高会产生副产物NaClO3;②N2H4∙H2O有强还原性,能与NaClO剧烈反应生成N2;③实验流程中各反应没有Cl2产生。
A.步骤Ⅰ应采用冰水浴降温
B.步骤Ⅰ制备NaClO溶液时,若溶液中NaClO与的物质的量之比为2:1,则参与反应的氧化剂与还原剂的物质的量之比为3:7
C.步骤Ⅱ中尿素应一次性快速加入反应器中
D.步骤Ⅲ溶液中Cl-的物质的量大于步骤Ⅰ溶液
【变式4-1】(25-26高一上·新疆乌鲁木齐·期中)以工业废渣[主要成分为,杂质为]为原料制备的流程如下图所示:氯化时控制温度在左右,充分反应后过滤所得滤液为的混合溶液。下列有关说法错误的是

A.打浆可加快“氯化”步骤的速率,提高利用率
B.滤渣的主要成分为
C.转化过程可能发生的反应为:
D.若氯化温度偏低,过滤所得滤液为的混合液,则、的个数之比可能约为5:3:31
【变式4-2】(24-25高一上·山东·期中)二氧化氯是国际上公认的安全、无毒的绿色消毒剂。“R7法”制备二氧化氯的优点是副产品氯气经处理后可循环利用,具体制备流程如图所示。

已知:Ⅰ.
Ⅱ.消毒效率消毒剂转移的电子数消毒剂的质量
下列说法错误的是
A.和的消毒效率之比为
B.反应①中氧化剂和还原剂的物质的量相等
C.物质X为盐酸和硫酸的混合物
D.反应①消耗的硫酸与反应②生成的硫酸物质的量之比为
题型05 含氯消毒剂的性质及应用
【典例5】(24-25高一上·山西朔州·期末)二氧化氯(ClO2)的熔点﹣59℃,沸点11℃,易溶于水,是一种常用的饮用水消毒剂,消毒时会产生Cl﹣和少量的,关于二氧化氯的说法不正确的是
A.易液化B.实验室不能用排水法收集
C.消毒时利用其强还原性D.氯的化合价为+4
【变式5-1】(24-25高一上·天津河北·期末)二氧化氯是国际公认的高效安全杀菌消毒剂,工业制备的反应原理如下:(浓),下列关于该反应的说法中不正确的是
A.每生成0.1转移0.2电子
B.浓盐酸在反应中既体现还原性又体现酸性
C.被氧化和被还原的氯元素的物质的量之比为
D.每消耗0.2还原剂,生成和的总物质的量为0.3
【变式5-2】(25-26高一上·河南·月考)下列关于含氯消毒剂的解释错误的是
A.向溶液中通入适量可增强漂白效果:
B.工业上将氯气通入石灰乳中制取漂白粉:
C.氯水应避光保存的原因是
D.常用作饮用水的消毒杀菌剂,其漂白能力和消毒能力均比氯水强


期末基础通关练(测试时间:10分钟)
1.(25-26高一上·北京·期中)小组同学为探究NaClO的性质,利用84消毒液进行如下实验。
装置 | 序号 | 试剂A | 试剂B | 实验现象 |

| ① | 84消毒液 (含0.01 mol∙L-1 NaClO) | KI溶液 | 溶液立即变棕黄色 |
② | NaCl溶液 | 无明显现象 |
③ | 盐酸 | 立即产生黄绿色气体 |
下列说法不正确的是
A.①中NaClO体现了氧化性B.③中黄绿色气体是Cl2
C.由①②可知,还原性Cl- >I-D.由实验可知,氧化性:HClO > ClO-
2.(25-26高一上·江西景德镇·期中)如图为氯及其化合物的“价类二维图”,下列说法正确的是

A.上图6种物质中属于电解质的有4种
B.新制氯水中发生的离子反应:
C.工业上利用氯气与石灰乳的反应制备漂白粉,无需控制反应温度
D.甲与铁粉反应的化学方程式:
3.(25-26高一上·辽宁锦州·期中)在探究新制氯水成分及其性质的实验中,根据下列实验操作和现象,得出的结论正确的是
选项 | 实验操作 | 现象 | 结论 |
A | 观察新制氯水颜色 | 新制氯水呈浅黄绿色 | 新制氯水中含 |
B | 向饱和NaHCO3溶液中加入新制氯水 | 有无色气体产生 | 新制氯水中含有HClO |
C | 在红色纸条上滴加新制氯水 | 红色纸条褪色 | 新制氯水具有漂白性 |
D | 将新制氯水置于阳光下 | 产生气泡 | Cl2的溶解度随温度升高而降低 |
4.(25-26高一上·河南·期中)下列关于氯的说法正确的是
A.氯气泄漏,可用浸有NaOH溶液的毛巾捂住口鼻,逃离现场
B.向新制氯水中滴入几滴石蕊溶液,溶液先变红后褪色
C.红热的铜丝在氯气里剧烈燃烧,生成棕红色的烟
D.氯元素在自然界中既有游离态又有化合态存在
5.(25-26高一上·吉林长春·期中)“84”消毒液的有效成分为次氯酸钠,是一种高效消毒剂,洁厕灵的主要成分是盐酸,二者混合使用,就会对人体产生严重的危害,发生的反应为。下列说法中正确的是
A.在参与的所有氧化还原反应中均体现氧化性
B.用双线桥法分析上述反应的电子转移情况如下:
C.若可以氧化,则也一定可以氧化
D.若、能发生,则向和的混合溶液中通入少量,一定能发生反应
6.(25-26高一上·湖南衡阳·期中)下列物质变化过程不能直接实现的是
A.B.
C.D.
7.(25-26高一上·安徽淮北·期中)含氯消毒剂在生产、生活中应用广泛,如、、、等。回答下列问题:
(1)
,将通入水中,发生反应的离子方程式为。
(2)为探究是否有漂白性,设计如图所示装置。

a中干燥的红色布条无明显变化,b中湿润的红色布条褪色。
由上述现象可知:(填“有”或“无”)漂白性,b中湿润的红色布条褪色是因为生成了(填微粒化学式);该装置缺少尾气处理装置,装置中所盛装液体试剂为。
(3)“84”消毒液的有效成分为,若与洁厕灵(含有浓盐酸)混用,会产生黄绿色气体,该黄绿色气体是(填化学式)。
(4)
(填“石灰乳”或“澄清石灰水”)中制取。
(测试时间:10分钟)
1.(25-26高一上·福建厦门·期中)已知84消毒液的有效成分是NaClO,某同学设计实验探究84消毒液的漂白性。
①在消毒液中加入水后,放入红色纸片,观察到纸片慢慢褪色;②在消毒液中加入白醋(主要成分为醋酸)后,放入红色纸片,观察到纸片迅速褪色;③在不同温度时,测得84消毒液ORP值随时间的变化曲线如图所示。

已知:ORP表示水溶液中物质的氧化性或还原性强弱,ORP值越大氧化性越强。下列说法错误的是
A.实验①、②现象不同的原因可能是实验②中HClO浓度大于实验①中HClO浓度
B.实验②中白醋与84消毒液发生反应的离子方程式为
C.实验③的结论是随温度升高和时间延长,84消毒液的漂白性下降
D.84消毒液与双氧水混合使用,杀菌消毒效果可能会降低
2.(25-26高一上·江苏扬州·期中)为探究新制氯水的性质,某学生做了如下实验。
实验 | 装置 | 试剂a | 现象 |
① | 
| 紫色的石蕊试液 | 溶液先变红后褪色 |
② | HNO3酸化的AgNO3溶液 | 产生白色沉淀 |
③ | NaHCO3溶液 | 产生气泡 |
④ | KI溶液、淀粉溶液 | 溶液变蓝 |
由上述实验可得新制氯水的性质与对应的解释或离子方程式不相符的是
A.实验①说明新制氯水中含有H+、HClO
B.实验②说明新制氯水中有Cl-:Cl-+Ag+=AgCl↓
C.实验③发生的反应为:+HClO=ClO-+CO2↑+H2O
D.实验④可能发生反应:Cl2+2I-=2Cl-+I2
3.(25-26高一上·江苏扬州·期中)利用NaClO和尿素[CO(NH2)2]反应制备N2H4·H2O(水合肼)的实验流程如下图,下列说法错误的是

已知:①氯气与烧碱溶液的反应是放热反应:若温度过高会产生副产物NaClO3;②N2H4·H2O有强还原性,能与NaClO剧烈反应生成N2。
③尿素[CO(NH2)2]中N的化合价-3价
A.步骤I中应采用冰水浴
B.步骤Ⅰ制备NaClO溶液时,若溶液中NaClO与NaClO3的物质的量之比为5:1,则溶液中的NaCl与NaClO3物质的量之比也为5:1
C.步骤Ⅱ中每生成1molN2H4·H2O反应中转移2mol电子
D.步骤Ⅱ中应将NaClO碱性溶液逐滴滴入尿素水溶液中
4.(25-26高一上·北京·期中)
A.是氧化产物B.生成个分子,转移电子数为个
C.的还原性强于的还原性D.在反应中被氧化
5.(25-26高一上·江苏无锡·期中)下列实验装置能达到实验目的的是

| 
|
A.测氯水的pH | B.干燥氯气 |

| 
|
C.收集氯气 | D.吸收氯气 |
6.(25-26高一上·广东广州·期中)“价—类二维图”是学习元素及其化合物知识的高效模型,下列有关氯的“价—类二维图说法错误的是

A.c可用于自来水的杀菌消毒
B.d不稳定,光照下分解会生成b
C.a的浓溶液与在某种条件下可以生成b
D.84消毒液的有效成分是f的钠盐,作用原理是与空气中的水和二氧化碳反应生成d
7.(25-26高一上·广东清远·期中)H7N9型禽流感可用消毒药物如:高锰酸钾、漂白粉、氯气等,将该病毒杀灭。
(1)新制氯水中含有多种微粒,将紫色石蕊试液滴入氯水中,溶液显红色起作用的微粒是(填化学符号,下同);过一会儿,溶液颜色逐渐褪去,起作用的微粒是。
(2)工业上利用氯气和石灰乳反应制取漂白粉,漂白粉的有效成分为(填化学式)。向漂白粉清液中滴加碳酸钠溶液,有白色沉淀生成,写出发生反应的离子方程式。
(3)已知高锰酸钾与浓盐酸混合能产生氯气,化学反应方程式为:,回答下列问题:
①用单线桥标出电子转移的方向和数目。
②氧化性强弱:
③反应中氯化氢表现出的性质是。(填写字母)
a.还原性b.酸性c.氧化性
(测试时间:15分钟)
1.(25-26高一上·广东揭阳·期中)某同学用以下装置制备并检验的性质。下列说法正确的是

A.图Ⅰ:若过量,则浓盐酸可全部消耗完B.图Ⅱ:仅证明新制氯水具有酸性
C.图Ⅲ:产生了棕黄色的雾D.图Ⅳ:仅湿润的有色布条褪色
2.(25-26高一上·黑龙江哈尔滨·期中)部分含氯物质的分类与对应的化合价的关系如图所示,下列推断不合理的是

A.a可与g反应生成b
B.b通入热的溶液可生成f和h
C.可使用pH试纸测定比较d与e酸性强弱
D.c具有强氧化性,可用于自来水的消毒
3.(25-26高一上·新疆乌鲁木齐·期中)某化学教师设计如图一体化实验装置用于制备并探究的某些性质,1、2、3、4为蘸有对应溶液的棉团。下列说法错误的是

A.试剂x可选择浓NaOH溶液
B.饱和食盐水用于吸收中的HCl,防止干扰实验
C.一段时间后,1和2处棉团均会褪色
D.3处棉团变橙色、4处棉团变蓝,说明氯气有还原性
4.(25-26高一上·广东广州·期中)

下列说法错误的是
A.“操作x”的名称是过滤
B.与溶液加热反应得到的可以循环使用
C.“氧化”步骤的离子方程式为:
D.“酸浸”步骤可用浓盐酸代替稀硫酸
5.(24-25高一上·江苏盐城·期末)二氧化氯(ClO2)是一种工业上常用作水处理剂、漂白剂的气体,易溶于水,在水中的溶解度约为的5倍。下列有关实验室制备的实验原理和装置的说法错误的是

A.装置甲中使用70%而不用稀硫酸,目的是有利于气体逸出
B.装置乙中发生的离子反应为
C.用装置丙吸收
D.用装置丁处理尾气
6.(24-25高一上·江西吉安·期末)将一定量的通入一定浓度的溶液中,二者恰好完全反应,生成物中有三种含氯元素的离子,其中和两种离子的物质的量与反应时间的变化关系如图所示。下列说法错误的是

A.参加反应的与氯气的物质的量之比为
B.反应中转移电子的物质的量为
C.该溶液中的质量为
D.被氧化和被还原的氯原子的质量之比为
7.(24-25高一上·江苏苏州·期末)氯及某些含氯化合物既是重要化工原料,又是高效、广谱的灭菌消毒剂。回答下列问题:

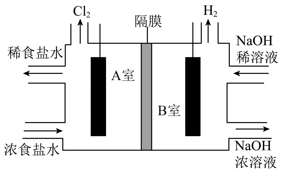
(1)工业可用如图所示的装置来制取氯气。A室产生的氯气与B室产生的氢气、氢氧化钠需用隔膜隔开,其原因是(用离子方程式表示)。
(2)“84消毒液”(主要成分为次氯酸钠)与洁厕灵(主要成分为盐酸)混用会产生氯气,该反应中每1被氧化,转移的电子数为。
(3)
准确量取50.00水样,加入足量的晶体,再滴加溶液至产生的恰好完全反应,消耗溶液5.00。
此过程发生反应:、。
①根据上述数据计算并判断该水样中的含量是否符合国家规定(请写出计算过程)。
②若加入晶体后,反应液在空气中露置时间过长,会导致的含量测定值偏高,其原因是。