当前位置:首页>课件>变电所二次回路和自动装置知识大全(全新课件).ppt

变电所二次回路和自动装置知识大全(全新课件).ppt

  • 2026-04-03 14:12:07
变电所二次回路和自动装置知识大全(全新课件).ppt
我们的进步需要您的关注
该资料已在星球更新,会员可扫码直接下载

8.1.1  二次回路(secondary  circuit)概述.

1、定义和分类:二次回路是指用来控制、指示、监测、测量和保护一次回路运行的电路,亦称二次接线

二次回路按功能可分为断路器控制回路、信号回路、保护回路、监测回路、自动装置回路和操作电源回路等。

操作电源是供高压断路器控制回路、继电保护回路、信号回路、监测装置及自动化装置等二次回路所需的工作电源。

操作电源要求:

正常运行时操作电源应能保证断路器的合闸和跳闸;

事故状态下,在母线电压降低甚至消失时,操作电源应能保证继电保护系统可靠地工作。  

二次回路的操作电源主要有直流和交流两大类;

直流操作电源主要有蓄电池和硅整流直流操作电源。

2、二次回路图的种类

二次回路图主要有二次回路原理图、二次回路原理展开图、二次回路安装接线图(包括屏背面接线图、端子接线图等)。 

二次回路原理图主要是用来表示继电保护、断路器控制、信号等回路的工作原理

原理展开图将二次回路中的交流回路与直流回路分开来画。

二次回路安装接线图画出了二次回路中各设备的安装位置及控制电缆和二次回路的连接方式,是现场施工安装、维护必不可少的图纸。

原理图或原理展开图通常是按功能电路如控制回路、保护回路、信号回路来绘制的,而安装接线图是按设备如开关柜、继电器屏、信号屏为对象绘制的。 

配电所的操作电源应独立可靠,容量足够,既要满足正常情况下的信号、保护、自动装置、断路器跳合闸等二次回路的的工作需要,又要保证事故状态下继电保护动作与断路器跳闸的可靠要求。

操作电源的选择应根据变配电所的重要性、规模大小及断路器操作方式决定:

(1) 供电给重要负荷或规模较大(指供电容量较大或断路器台数较多)的变配电所应选用直流操作电源。

(2)一次接线简单且断路器台数较少的10(6)kV变电所,可选用交流操作电源。采用普通交流操作电源时,断路器应采用弹簧储能合闸和去分流合闸的操作方式。

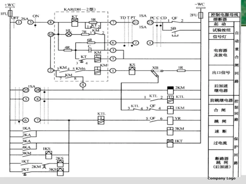
为了保证直流操作电源的可靠性,采用两个交流电源和两台硅整流器。硅整流器U1主要用作断路器合闸电源,并向控制、信号和保护回路供电。硅整流器U2的容量较小,仅向控制、信号和保护回路供电。

逆止元件VD1和VD2的主要功能:一是当直流电源电压因交流供电系统电压降低而降低时,使储能电容C1、C2所储能量仅用于补偿自身所在的保护回路,而不向其他元件放电;二是限制C1、C2向各断路器控制回路中的信号灯和重合闸继电器等放电,以保证其所供电的继电保护和跳闸线圈可靠动作。逆止元件VD3和限流电阻R接在两组直流母线之间,使直流合闸母线只向控制小母线WC供电,防止断路器合闸时硅整流器U2向合闸母线供电。

每天保证更新30+优质资源,为您提供2026电力领域的电力电气、继电保护及二次回路、电气试验、光储充微电网、风力发电、输配电工程、源网荷储、新型电力系统、虚拟电厂、现货与绿电交易、施工方案等

↙️“阅读原文”,平台所有课件”已上传到这里

最新文章

随机文章

基本 文件 流程 错误 SQL 调试
  1. 请求信息 : 2026-04-09 08:03:08 HTTP/2.0 GET : https://a.sjds.net/a/488338.html
  2. 运行时间 : 0.281144s [ 吞吐率:3.56req/s ] 内存消耗:4,428.84kb 文件加载:140
  3. 缓存信息 : 0 reads,0 writes
  4. 会话信息 : SESSION_ID=fd52997af09e7a5fccaa8b6ee6804f60
  1. /yingpanguazai/ssd/ssd1/www/a.sjds.net/public/index.php ( 0.79 KB )
  2. /yingpanguazai/ssd/ssd1/www/a.sjds.net/vendor/autoload.php ( 0.17 KB )
  3. /yingpanguazai/ssd/ssd1/www/a.sjds.net/vendor/composer/autoload_real.php ( 2.49 KB )
  4. /yingpanguazai/ssd/ssd1/www/a.sjds.net/vendor/composer/platform_check.php ( 0.90 KB )
  5. /yingpanguazai/ssd/ssd1/www/a.sjds.net/vendor/composer/ClassLoader.php ( 14.03 KB )
  6. /yingpanguazai/ssd/ssd1/www/a.sjds.net/vendor/composer/autoload_static.php ( 4.90 KB )
  7. /yingpanguazai/ssd/ssd1/www/a.sjds.net/vendor/topthink/think-helper/src/helper.php ( 8.34 KB )
  8. /yingpanguazai/ssd/ssd1/www/a.sjds.net/vendor/topthink/think-validate/src/helper.php ( 2.19 KB )
  9. /yingpanguazai/ssd/ssd1/www/a.sjds.net/vendor/topthink/think-orm/src/helper.php ( 1.47 KB )
  10. /yingpanguazai/ssd/ssd1/www/a.sjds.net/vendor/topthink/think-orm/stubs/load_stubs.php ( 0.16 KB )
  11. /yingpanguazai/ssd/ssd1/www/a.sjds.net/vendor/topthink/framework/src/think/Exception.php ( 1.69 KB )
  12. /yingpanguazai/ssd/ssd1/www/a.sjds.net/vendor/topthink/think-container/src/Facade.php ( 2.71 KB )
  13. /yingpanguazai/ssd/ssd1/www/a.sjds.net/vendor/symfony/deprecation-contracts/function.php ( 0.99 KB )
  14. /yingpanguazai/ssd/ssd1/www/a.sjds.net/vendor/symfony/polyfill-mbstring/bootstrap.php ( 8.26 KB )
  15. /yingpanguazai/ssd/ssd1/www/a.sjds.net/vendor/symfony/polyfill-mbstring/bootstrap80.php ( 9.78 KB )
  16. /yingpanguazai/ssd/ssd1/www/a.sjds.net/vendor/symfony/var-dumper/Resources/functions/dump.php ( 1.49 KB )
  17. /yingpanguazai/ssd/ssd1/www/a.sjds.net/vendor/topthink/think-dumper/src/helper.php ( 0.18 KB )
  18. /yingpanguazai/ssd/ssd1/www/a.sjds.net/vendor/symfony/var-dumper/VarDumper.php ( 4.30 KB )
  19. /yingpanguazai/ssd/ssd1/www/a.sjds.net/vendor/topthink/framework/src/think/App.php ( 15.30 KB )
  20. /yingpanguazai/ssd/ssd1/www/a.sjds.net/vendor/topthink/think-container/src/Container.php ( 15.76 KB )
  21. /yingpanguazai/ssd/ssd1/www/a.sjds.net/vendor/psr/container/src/ContainerInterface.php ( 1.02 KB )
  22. /yingpanguazai/ssd/ssd1/www/a.sjds.net/app/provider.php ( 0.19 KB )
  23. /yingpanguazai/ssd/ssd1/www/a.sjds.net/vendor/topthink/framework/src/think/Http.php ( 6.04 KB )
  24. /yingpanguazai/ssd/ssd1/www/a.sjds.net/vendor/topthink/think-helper/src/helper/Str.php ( 7.29 KB )
  25. /yingpanguazai/ssd/ssd1/www/a.sjds.net/vendor/topthink/framework/src/think/Env.php ( 4.68 KB )
  26. /yingpanguazai/ssd/ssd1/www/a.sjds.net/app/common.php ( 0.03 KB )
  27. /yingpanguazai/ssd/ssd1/www/a.sjds.net/vendor/topthink/framework/src/helper.php ( 18.78 KB )
  28. /yingpanguazai/ssd/ssd1/www/a.sjds.net/vendor/topthink/framework/src/think/Config.php ( 5.54 KB )
  29. /yingpanguazai/ssd/ssd1/www/a.sjds.net/config/app.php ( 0.95 KB )
  30. /yingpanguazai/ssd/ssd1/www/a.sjds.net/config/cache.php ( 0.78 KB )
  31. /yingpanguazai/ssd/ssd1/www/a.sjds.net/config/console.php ( 0.23 KB )
  32. /yingpanguazai/ssd/ssd1/www/a.sjds.net/config/cookie.php ( 0.56 KB )
  33. /yingpanguazai/ssd/ssd1/www/a.sjds.net/config/database.php ( 2.48 KB )
  34. /yingpanguazai/ssd/ssd1/www/a.sjds.net/vendor/topthink/framework/src/think/facade/Env.php ( 1.67 KB )
  35. /yingpanguazai/ssd/ssd1/www/a.sjds.net/config/filesystem.php ( 0.61 KB )
  36. /yingpanguazai/ssd/ssd1/www/a.sjds.net/config/lang.php ( 0.91 KB )
  37. /yingpanguazai/ssd/ssd1/www/a.sjds.net/config/log.php ( 1.35 KB )
  38. /yingpanguazai/ssd/ssd1/www/a.sjds.net/config/middleware.php ( 0.19 KB )
  39. /yingpanguazai/ssd/ssd1/www/a.sjds.net/config/route.php ( 1.89 KB )
  40. /yingpanguazai/ssd/ssd1/www/a.sjds.net/config/session.php ( 0.57 KB )
  41. /yingpanguazai/ssd/ssd1/www/a.sjds.net/config/trace.php ( 0.34 KB )
  42. /yingpanguazai/ssd/ssd1/www/a.sjds.net/config/view.php ( 0.82 KB )
  43. /yingpanguazai/ssd/ssd1/www/a.sjds.net/app/event.php ( 0.25 KB )
  44. /yingpanguazai/ssd/ssd1/www/a.sjds.net/vendor/topthink/framework/src/think/Event.php ( 7.67 KB )
  45. /yingpanguazai/ssd/ssd1/www/a.sjds.net/app/service.php ( 0.13 KB )
  46. /yingpanguazai/ssd/ssd1/www/a.sjds.net/app/AppService.php ( 0.26 KB )
  47. /yingpanguazai/ssd/ssd1/www/a.sjds.net/vendor/topthink/framework/src/think/Service.php ( 1.64 KB )
  48. /yingpanguazai/ssd/ssd1/www/a.sjds.net/vendor/topthink/framework/src/think/Lang.php ( 7.35 KB )
  49. /yingpanguazai/ssd/ssd1/www/a.sjds.net/vendor/topthink/framework/src/lang/zh-cn.php ( 13.70 KB )
  50. /yingpanguazai/ssd/ssd1/www/a.sjds.net/vendor/topthink/framework/src/think/initializer/Error.php ( 3.31 KB )
  51. /yingpanguazai/ssd/ssd1/www/a.sjds.net/vendor/topthink/framework/src/think/initializer/RegisterService.php ( 1.33 KB )
  52. /yingpanguazai/ssd/ssd1/www/a.sjds.net/vendor/services.php ( 0.14 KB )
  53. /yingpanguazai/ssd/ssd1/www/a.sjds.net/vendor/topthink/framework/src/think/service/PaginatorService.php ( 1.52 KB )
  54. /yingpanguazai/ssd/ssd1/www/a.sjds.net/vendor/topthink/framework/src/think/service/ValidateService.php ( 0.99 KB )
  55. /yingpanguazai/ssd/ssd1/www/a.sjds.net/vendor/topthink/framework/src/think/service/ModelService.php ( 2.04 KB )
  56. /yingpanguazai/ssd/ssd1/www/a.sjds.net/vendor/topthink/think-trace/src/Service.php ( 0.77 KB )
  57. /yingpanguazai/ssd/ssd1/www/a.sjds.net/vendor/topthink/framework/src/think/Middleware.php ( 6.72 KB )
  58. /yingpanguazai/ssd/ssd1/www/a.sjds.net/vendor/topthink/framework/src/think/initializer/BootService.php ( 0.77 KB )
  59. /yingpanguazai/ssd/ssd1/www/a.sjds.net/vendor/topthink/think-orm/src/Paginator.php ( 11.86 KB )
  60. /yingpanguazai/ssd/ssd1/www/a.sjds.net/vendor/topthink/think-validate/src/Validate.php ( 63.20 KB )
  61. /yingpanguazai/ssd/ssd1/www/a.sjds.net/vendor/topthink/think-orm/src/Model.php ( 23.55 KB )
  62. /yingpanguazai/ssd/ssd1/www/a.sjds.net/vendor/topthink/think-orm/src/model/concern/Attribute.php ( 21.05 KB )
  63. /yingpanguazai/ssd/ssd1/www/a.sjds.net/vendor/topthink/think-orm/src/model/concern/AutoWriteData.php ( 4.21 KB )
  64. /yingpanguazai/ssd/ssd1/www/a.sjds.net/vendor/topthink/think-orm/src/model/concern/Conversion.php ( 6.44 KB )
  65. /yingpanguazai/ssd/ssd1/www/a.sjds.net/vendor/topthink/think-orm/src/model/concern/DbConnect.php ( 5.16 KB )
  66. /yingpanguazai/ssd/ssd1/www/a.sjds.net/vendor/topthink/think-orm/src/model/concern/ModelEvent.php ( 2.33 KB )
  67. /yingpanguazai/ssd/ssd1/www/a.sjds.net/vendor/topthink/think-orm/src/model/concern/RelationShip.php ( 28.29 KB )
  68. /yingpanguazai/ssd/ssd1/www/a.sjds.net/vendor/topthink/think-helper/src/contract/Arrayable.php ( 0.09 KB )
  69. /yingpanguazai/ssd/ssd1/www/a.sjds.net/vendor/topthink/think-helper/src/contract/Jsonable.php ( 0.13 KB )
  70. /yingpanguazai/ssd/ssd1/www/a.sjds.net/vendor/topthink/think-orm/src/model/contract/Modelable.php ( 0.09 KB )
  71. /yingpanguazai/ssd/ssd1/www/a.sjds.net/vendor/topthink/framework/src/think/Db.php ( 2.88 KB )
  72. /yingpanguazai/ssd/ssd1/www/a.sjds.net/vendor/topthink/think-orm/src/DbManager.php ( 8.52 KB )
  73. /yingpanguazai/ssd/ssd1/www/a.sjds.net/vendor/topthink/framework/src/think/Log.php ( 6.28 KB )
  74. /yingpanguazai/ssd/ssd1/www/a.sjds.net/vendor/topthink/framework/src/think/Manager.php ( 3.92 KB )
  75. /yingpanguazai/ssd/ssd1/www/a.sjds.net/vendor/psr/log/src/LoggerTrait.php ( 2.69 KB )
  76. /yingpanguazai/ssd/ssd1/www/a.sjds.net/vendor/psr/log/src/LoggerInterface.php ( 2.71 KB )
  77. /yingpanguazai/ssd/ssd1/www/a.sjds.net/vendor/topthink/framework/src/think/Cache.php ( 4.92 KB )
  78. /yingpanguazai/ssd/ssd1/www/a.sjds.net/vendor/psr/simple-cache/src/CacheInterface.php ( 4.71 KB )
  79. /yingpanguazai/ssd/ssd1/www/a.sjds.net/vendor/topthink/think-helper/src/helper/Arr.php ( 16.63 KB )
  80. /yingpanguazai/ssd/ssd1/www/a.sjds.net/vendor/topthink/framework/src/think/cache/driver/File.php ( 7.84 KB )
  81. /yingpanguazai/ssd/ssd1/www/a.sjds.net/vendor/topthink/framework/src/think/cache/Driver.php ( 9.03 KB )
  82. /yingpanguazai/ssd/ssd1/www/a.sjds.net/vendor/topthink/framework/src/think/contract/CacheHandlerInterface.php ( 1.99 KB )
  83. /yingpanguazai/ssd/ssd1/www/a.sjds.net/app/Request.php ( 0.09 KB )
  84. /yingpanguazai/ssd/ssd1/www/a.sjds.net/vendor/topthink/framework/src/think/Request.php ( 55.78 KB )
  85. /yingpanguazai/ssd/ssd1/www/a.sjds.net/app/middleware.php ( 0.25 KB )
  86. /yingpanguazai/ssd/ssd1/www/a.sjds.net/vendor/topthink/framework/src/think/Pipeline.php ( 2.61 KB )
  87. /yingpanguazai/ssd/ssd1/www/a.sjds.net/vendor/topthink/think-trace/src/TraceDebug.php ( 3.40 KB )
  88. /yingpanguazai/ssd/ssd1/www/a.sjds.net/vendor/topthink/framework/src/think/middleware/SessionInit.php ( 1.94 KB )
  89. /yingpanguazai/ssd/ssd1/www/a.sjds.net/vendor/topthink/framework/src/think/Session.php ( 1.80 KB )
  90. /yingpanguazai/ssd/ssd1/www/a.sjds.net/vendor/topthink/framework/src/think/session/driver/File.php ( 6.27 KB )
  91. /yingpanguazai/ssd/ssd1/www/a.sjds.net/vendor/topthink/framework/src/think/contract/SessionHandlerInterface.php ( 0.87 KB )
  92. /yingpanguazai/ssd/ssd1/www/a.sjds.net/vendor/topthink/framework/src/think/session/Store.php ( 7.12 KB )
  93. /yingpanguazai/ssd/ssd1/www/a.sjds.net/vendor/topthink/framework/src/think/Route.php ( 23.73 KB )
  94. /yingpanguazai/ssd/ssd1/www/a.sjds.net/vendor/topthink/framework/src/think/route/RuleName.php ( 5.75 KB )
  95. /yingpanguazai/ssd/ssd1/www/a.sjds.net/vendor/topthink/framework/src/think/route/Domain.php ( 2.53 KB )
  96. /yingpanguazai/ssd/ssd1/www/a.sjds.net/vendor/topthink/framework/src/think/route/RuleGroup.php ( 22.43 KB )
  97. /yingpanguazai/ssd/ssd1/www/a.sjds.net/vendor/topthink/framework/src/think/route/Rule.php ( 26.95 KB )
  98. /yingpanguazai/ssd/ssd1/www/a.sjds.net/vendor/topthink/framework/src/think/route/RuleItem.php ( 9.78 KB )
  99. /yingpanguazai/ssd/ssd1/www/a.sjds.net/route/app.php ( 1.72 KB )
  100. /yingpanguazai/ssd/ssd1/www/a.sjds.net/vendor/topthink/framework/src/think/facade/Route.php ( 4.70 KB )
  101. /yingpanguazai/ssd/ssd1/www/a.sjds.net/vendor/topthink/framework/src/think/route/dispatch/Controller.php ( 4.74 KB )
  102. /yingpanguazai/ssd/ssd1/www/a.sjds.net/vendor/topthink/framework/src/think/route/Dispatch.php ( 10.44 KB )
  103. /yingpanguazai/ssd/ssd1/www/a.sjds.net/app/controller/Index.php ( 4.81 KB )
  104. /yingpanguazai/ssd/ssd1/www/a.sjds.net/app/BaseController.php ( 2.05 KB )
  105. /yingpanguazai/ssd/ssd1/www/a.sjds.net/vendor/topthink/think-orm/src/facade/Db.php ( 0.93 KB )
  106. /yingpanguazai/ssd/ssd1/www/a.sjds.net/vendor/topthink/think-orm/src/db/connector/Mysql.php ( 5.44 KB )
  107. /yingpanguazai/ssd/ssd1/www/a.sjds.net/vendor/topthink/think-orm/src/db/PDOConnection.php ( 52.47 KB )
  108. /yingpanguazai/ssd/ssd1/www/a.sjds.net/vendor/topthink/think-orm/src/db/Connection.php ( 8.39 KB )
  109. /yingpanguazai/ssd/ssd1/www/a.sjds.net/vendor/topthink/think-orm/src/db/ConnectionInterface.php ( 4.57 KB )
  110. /yingpanguazai/ssd/ssd1/www/a.sjds.net/vendor/topthink/think-orm/src/db/builder/Mysql.php ( 16.58 KB )
  111. /yingpanguazai/ssd/ssd1/www/a.sjds.net/vendor/topthink/think-orm/src/db/Builder.php ( 24.06 KB )
  112. /yingpanguazai/ssd/ssd1/www/a.sjds.net/vendor/topthink/think-orm/src/db/BaseBuilder.php ( 27.50 KB )
  113. /yingpanguazai/ssd/ssd1/www/a.sjds.net/vendor/topthink/think-orm/src/db/Query.php ( 15.71 KB )
  114. /yingpanguazai/ssd/ssd1/www/a.sjds.net/vendor/topthink/think-orm/src/db/BaseQuery.php ( 45.13 KB )
  115. /yingpanguazai/ssd/ssd1/www/a.sjds.net/vendor/topthink/think-orm/src/db/concern/TimeFieldQuery.php ( 7.43 KB )
  116. /yingpanguazai/ssd/ssd1/www/a.sjds.net/vendor/topthink/think-orm/src/db/concern/AggregateQuery.php ( 3.26 KB )
  117. /yingpanguazai/ssd/ssd1/www/a.sjds.net/vendor/topthink/think-orm/src/db/concern/ModelRelationQuery.php ( 20.07 KB )
  118. /yingpanguazai/ssd/ssd1/www/a.sjds.net/vendor/topthink/think-orm/src/db/concern/ParamsBind.php ( 3.66 KB )
  119. /yingpanguazai/ssd/ssd1/www/a.sjds.net/vendor/topthink/think-orm/src/db/concern/ResultOperation.php ( 7.01 KB )
  120. /yingpanguazai/ssd/ssd1/www/a.sjds.net/vendor/topthink/think-orm/src/db/concern/WhereQuery.php ( 19.37 KB )
  121. /yingpanguazai/ssd/ssd1/www/a.sjds.net/vendor/topthink/think-orm/src/db/concern/JoinAndViewQuery.php ( 7.11 KB )
  122. /yingpanguazai/ssd/ssd1/www/a.sjds.net/vendor/topthink/think-orm/src/db/concern/TableFieldInfo.php ( 2.63 KB )
  123. /yingpanguazai/ssd/ssd1/www/a.sjds.net/vendor/topthink/think-orm/src/db/concern/Transaction.php ( 2.77 KB )
  124. /yingpanguazai/ssd/ssd1/www/a.sjds.net/vendor/topthink/framework/src/think/log/driver/File.php ( 5.96 KB )
  125. /yingpanguazai/ssd/ssd1/www/a.sjds.net/vendor/topthink/framework/src/think/contract/LogHandlerInterface.php ( 0.86 KB )
  126. /yingpanguazai/ssd/ssd1/www/a.sjds.net/vendor/topthink/framework/src/think/log/Channel.php ( 3.89 KB )
  127. /yingpanguazai/ssd/ssd1/www/a.sjds.net/vendor/topthink/framework/src/think/event/LogRecord.php ( 1.02 KB )
  128. /yingpanguazai/ssd/ssd1/www/a.sjds.net/vendor/topthink/think-helper/src/Collection.php ( 16.47 KB )
  129. /yingpanguazai/ssd/ssd1/www/a.sjds.net/vendor/topthink/framework/src/think/facade/View.php ( 1.70 KB )
  130. /yingpanguazai/ssd/ssd1/www/a.sjds.net/vendor/topthink/framework/src/think/View.php ( 4.39 KB )
  131. /yingpanguazai/ssd/ssd1/www/a.sjds.net/vendor/topthink/framework/src/think/Response.php ( 8.81 KB )
  132. /yingpanguazai/ssd/ssd1/www/a.sjds.net/vendor/topthink/framework/src/think/response/View.php ( 3.29 KB )
  133. /yingpanguazai/ssd/ssd1/www/a.sjds.net/vendor/topthink/framework/src/think/Cookie.php ( 6.06 KB )
  134. /yingpanguazai/ssd/ssd1/www/a.sjds.net/vendor/topthink/think-view/src/Think.php ( 8.38 KB )
  135. /yingpanguazai/ssd/ssd1/www/a.sjds.net/vendor/topthink/framework/src/think/contract/TemplateHandlerInterface.php ( 1.60 KB )
  136. /yingpanguazai/ssd/ssd1/www/a.sjds.net/vendor/topthink/think-template/src/Template.php ( 46.61 KB )
  137. /yingpanguazai/ssd/ssd1/www/a.sjds.net/vendor/topthink/think-template/src/template/driver/File.php ( 2.41 KB )
  138. /yingpanguazai/ssd/ssd1/www/a.sjds.net/vendor/topthink/think-template/src/template/contract/DriverInterface.php ( 0.86 KB )
  139. /yingpanguazai/ssd/ssd1/www/a.sjds.net/runtime/temp/97cad012e8e159aae2fe347a411e8351.php ( 12.06 KB )
  140. /yingpanguazai/ssd/ssd1/www/a.sjds.net/vendor/topthink/think-trace/src/Html.php ( 4.42 KB )
  1. CONNECT:[ UseTime:0.001209s ] mysql:host=127.0.0.1;port=3306;dbname=a_sjds;charset=utf8mb4
  2. SHOW FULL COLUMNS FROM `fenlei` [ RunTime:0.001826s ]
  3. SELECT * FROM `fenlei` WHERE `fid` = 0 [ RunTime:0.002607s ]
  4. SELECT * FROM `fenlei` WHERE `fid` = 63 [ RunTime:0.001868s ]
  5. SHOW FULL COLUMNS FROM `set` [ RunTime:0.001718s ]
  6. SELECT * FROM `set` [ RunTime:0.007253s ]
  7. SHOW FULL COLUMNS FROM `article` [ RunTime:0.001899s ]
  8. SELECT * FROM `article` WHERE `id` = 488338 LIMIT 1 [ RunTime:0.049744s ]
  9. UPDATE `article` SET `lasttime` = 1775692988 WHERE `id` = 488338 [ RunTime:0.017244s ]
  10. SELECT * FROM `fenlei` WHERE `id` = 66 LIMIT 1 [ RunTime:0.003610s ]
  11. SELECT * FROM `article` WHERE `id` < 488338 ORDER BY `id` DESC LIMIT 1 [ RunTime:0.001167s ]
  12. SELECT * FROM `article` WHERE `id` > 488338 ORDER BY `id` ASC LIMIT 1 [ RunTime:0.003116s ]
  13. SELECT * FROM `article` WHERE `id` < 488338 ORDER BY `id` DESC LIMIT 10 [ RunTime:0.010776s ]
  14. SELECT * FROM `article` WHERE `id` < 488338 ORDER BY `id` DESC LIMIT 10,10 [ RunTime:0.050696s ]
  15. SELECT * FROM `article` WHERE `id` < 488338 ORDER BY `id` DESC LIMIT 20,10 [ RunTime:0.012300s ]
0.284458s